
Podczas demontażu dolnej osłony komory silnika należy usunąć szybkozłączki, ponumerowane tutaj od "1" do "10".

Wspornik zderzaka (2) mocowany jest do nadwozia za pomocą trzech śrub z łbem sześciokątnym (3). Do regulacji wysokości zderzaka służy tuleja gwintowana (1).

Po zdjęciu zderzaka (4) widać: 1 – śrubę mocującą błotnik; 2 – jedna ze śrub mocujących reflektor; 3 – wspornik zderzaka bocznego.
Demontaż dolnej osłony komory silnika
Niższe położenie komory silnika w znacznym stopniu przyczynia się do uzyskania wysokiego współczynnika opływowości nadwozia Audi, a także do redukcji hałasu. Niestety, w przypadku wielu prac konserwacyjnych silnika konieczne jest zdjęcie tej osłony (na przykład przy wymianie oleju).
1. Podnieś i podeprzyj przód pojazdu.
2. Obrócić dwa syntetyczne zapięcia szybkozamykające w nadkolach po prawej i lewej stronie o 90° w lewo.
3. Na tylnym i przednim końcu listwy za pomocą śrubokręta przekręć trzy zapięcia szybkozłączne o 90° w lewo.
4. Zawieś osłonę z przodu na złączu wtykowym zderzaka.
5. Podczas montażu ostrożnie wsuń listwę ochronną w dolną krawędź zderzaka. Następnie najpierw zabezpiecz tylne zatrzaski szybkiego zwalniania.

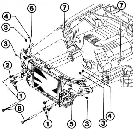
Ustawić przednią część pojazdu (6) w pozycji serwisowej (główne etapy pracy):wkręcić narzędzie specjalne (8) w otwory (5), w tym celu odkręcić śrubę (2) znajdującą się po prawej stronie. Odkręć śruby 1, 3, 4. Przesuń przednią część do przodu o około 70 mm i tym razem wkręć śruby 4 w przednie otwory gwintowane 7.

Ustawianie przodu pojazdu w pozycji serwisowej: przesuwamy go do przodu na odległość od śruby 1 do śruby 2. Następnie wkręcamy śrubę 1 w otwory śruby 2.

Przywracanie przedniej części pojazdu do pozycji roboczej: Numer "2" oznacza wkręcenie specjalnego narzędzia 3369, składającego się z długiej śruby i rury. W liczbach "1", "3", "4" a "5" oznacza śruby, które należy poluzować, aby przesunąć przednią część.

Widok z tyłu zdemontowanej osłony chłodnicy A4:
- 1 i 2 - klipsy mocujące wzdłuż górnej krawędzi;
- 3 i 4 - prowadnice wzdłuż dolnej krawędzi.
Przywracanie przedniej części pojazdu do pozycji serwisowej
Nawet w przypadku wymiany paska klinowego w samochodzie z silnikiem czterocylindrowym, przód samochodu należy ustawić w pozycji serwisowej. W tym celu należy przesunąć przednią część lekko do przodu, przykręcając ją dwoma śrubami. Śruby w Audi mają numer narzędzia 3369, ale można je wymienić na dwa kawałki rury (średnica zewnętrzna 17 mm, długość 80 mm, grubość ścianki 1 mm), i dwie śruby M8 (minimalna długość 90 mm).
Następnie należy postępować w następujący sposób:
1. Zdejmij zderzak.
2. W dziurach (zobacz zdjęcie poniżej), przeznaczony do odbioru instrumentów 3369 (jako zamiennik naszej rury), zaznacz miejsce przedniej części za pomocą pisaka. Dzięki temu możliwe będzie sprawdzenie prawidłowej pozycji części przedniej podczas późniejszego montażu.
3. Wkręć narzędzie 3369 (jako zamiennik naszych rur) do otworów przewidzianych do tego celu. Aby to zrobić należy odkręcić śrubę przykręconą po prawej stronie.
4. Odkręć wszystkie śruby mocujące zderzak.
5. Następnie odkręć po jednej śrubie z prawej i lewej strony pod światłami kierunkowskazów, a także dwie śruby u góry reflektorów.
6. Pociągnij przednią część do przodu o około 70 mm.
7. Aby zabezpieczyć przednią część, wkręć tylną część dwóch śrub znajdujących się u góry reflektora w gwintowany otwór pierwszej śruby.
8. Montaż: Przesuń przednią część w stronę samochodu i w pierwszej kolejności przykręć zderzak – dopiero potem odkręć narzędzia pomocnicze.
9. Po zakończeniu montażu należy sprawdzić, czy oznaczenia wykonane na początku znajdują się ponownie w środku otworów. W tym przypadku pozycja montażowa części przedniej jest prawidłowa.
Wskazówka: Przednią część samochodu demontuje się w taki sam sposób, jak opisano w poprzedniej sekcji.
Demontaż osłony chłodnicy
1. Otwórz maskę.
2. W górnej, tylnej części kratki naciśnij klipsy mocujące.
3. Złóż osłonę chłodnicy do przodu i zdejmij ją.
4. Montaż: Zawieś dolną krawędź osłony chłodnicy za pomocą prowadnic w otworze montażowym maski.
5. Włóż kratkę do otworu montażowego i dociśnij górną krawędź tak, aby pasowała do rowka na całej szerokości.

Komentarze gości