Снятие и установка расходомера воздуха «G70»
Отсоедините электр. штекер «1» от расходомера воздуха «G70». Открыть зажим шланга воздуховода. идущего к турбонагнетателю, и стянуть шланг с расходомера воздуха «G70». Открутить 2 винта крепления на расходомере воздуха «С70» вынуть. Аккуратно достаньте расходомер «G70» из направляющей в корпусе возд. фильтра.

Установить
Для безупречного функционирования расходомера воздуха «G70» важно в обязательном порядке выполнить следующие указания и действия. При сильном загрязнении или насыщении влагой сменного элемента возд. фильтра, частички грязи или влага могут попасть в расходомер воздуха «G70» и исказить полученные данные. Это приведет к потере мощности, поскольку выполняется расчет меньшего объема впрыска топлива. Использовать только оригинальный фильтрующий элемент. Для установки шланга воздуховода использовать смазку (без силикона). Для крепления всех соединений шлангов использовать хомуты соответствующей серии. Проверьте расходомер и воздуховодный шланг на отсутствие соляных отложений, грязи и листьев (со стороны забора чистого воздуха). Проверить впускной канал до сменного элемента возд. фильтра на наличие грязи.
Если обнаружены загрязнения, почистить корпус возд. фильтра (верхнюю и нижнюю части) от отложений соли, грязи и листьев (при необходимости промыть или почистить пылесосом). Снятие и установка возд. фильтра. Установка в обратном порядке.
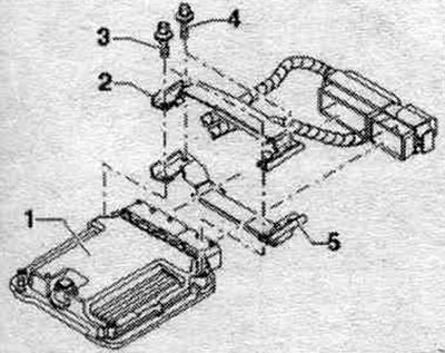
Лямбда-зонд
1. Турбонагнетатель: с позиционным датчиком регулятора давления наддува «G581».
2. Лямбда-зонд «G39» с нагревательным элементом лямбда-зонда «Z19»: новые лямбда-зонды смазаны монтажной пастой; на бывшем в употреблении лямбда-зонде смазать резьбу термостойкой пастой для болтов; монтажная или термостойкая паста не должна попасть в пазы корпуса лямбда-зонда; 50 Нм.
3. Датчик 3 температуры ОГ «G495»: 45 Нм.
4. Датчик давления 1 ОГ «G450»: затянуть болт моментом 4,5 Нм; напорные линии к сажевому фильтру 45 Нм.
5. Датчик 4 температуры ОГ «G648»: 45 Нм.
6. Сажевый фильтр: после замены сажевого фильтра необходимо провести корректировку, использовать для этого Тестер.
7. Датчик 1 температуры ОГ «G235»: 45 Нм.
1. Электр. разъем лямбда-зонда «G39» с отопителем лямбда-зонда «Z19». 2. Датчик температуры топлива «G81». 3. Электр. разъем датчиков температуры ОГ 3 «G495». 4. Расходомер воздуха «G70». 5. Лямбда-зонд «G39» с нагревательным элементом лямбда-зонда «Z19». 6. Датчик 3 температуры ОГ «G495».
Замена блока управления двигателя «J623»
Перед снятием блока управления двигателя «J623» следует считать значения адаптации форсунок и массу сажи. Использовать для этого Тестер. Если значения для адаптации форсунок не считываются из старого (неисправного) блока управления двигателя, они должны вводиться в новый блок управления двигателя и адаптироваться в ручном режиме. После сохранения файла с параметрами адаптации выключить зажигание и вынуть ключ зажигания. Не каждый блок управления двигателя прикручен с защитным корпусом. Установка защитного корпуса зависит от комбинации "двигатель - КП". К блоку управления двигателя «1» привинчен защитный корпус «5». Для исключения выкручивания срезных, винтов «4» фиксатора «2», на их резьбу нанесен фиксирующий лак. Чтобы можно было снять штекерные разъемы с блока управления двигателя (например, для подключения коммутатора или замены блока управления двигателя), необходимо демонтировать защитный корпус.

Не до конца снять резиновое уплотнение крышки водоотводящего короба с гайки «1». Выкрутить гайку «1». Открепить жгут проводов «2» на креплениях «А». Извлечь заливную горловину «3» с питающей трубкой из бачка стеклоомывателя и проёма кузова.

Вывинтить болты «стрелки» и снять крышку коммутационного блока.

Разблокировать фиксаторы «стрелки А» и снять блок управления двигателя «J623» «стрелка В».

Для затруднения доступа к разъемам блока управления двигателя, блок управления двигателем «1» соединен болтами через блокировку «2 и 5» и стопорные болты «3» или «4». На резьбу обоих стопорных болтов «4» (не соединенных болтами с блоком управления двигателя) нанесен резьбовой лак. Поэтому для отвинчивания этих болтов резьбу следует прогреть термофеном. Резьба обоих стопорных болтов, соединенных с блоком управления двигателем «3» не защищена резьбовым лаком. Резьба в корпусе блока управления двигателя не должна подвергаться нагреву (недопустимый нагрев блока управления двигателя). Отрегулировать фен так, как показано на рисунке. Это означает, что потенциометр регулятора температуры «2» должен быть установлен на максимальную теплопроизводительность, а двухступенчатый переключатель интенсивности обдува «3» в положение 3.


Для этого включить фен и нагревать болт 20-30 с. Клещами вывернуть стопорный болт (по направлению стрелки).

Два срывных винта, ввинченных в блок управления двигателя, не нагревать. Их следует выкрутить без нагрева. Отсоединить защитный корпус от разъёмов блока управления. Разблокировать разъем блока управления двигателя и отсоединить его. Извлечь старый блок управления двигателя «J623» и установить новый блок управления двигателя «J623».
Установить
Установка в обратном порядке. После этого нужно обязательно закрыть блок управления «J623» защитным корпусом. Очистить резьбовые отверстия стопорных винтов от остатков резьбового лака. Для чистки можно использовать метчик. Всегда использовать новые срывные винты. Момент затяжки болтов крышки коммутационного блока: 3,5 Нм. Действия, проводимые после подключения нового блока управления двигателя, описаны в "Ведомом поиске неисправностей" или "Ведомые функции". Использовать для этого Тестер. После замены блока управления двигателя заново выполнить согласование корректировки количества топлива и корректировки напряжения форсунок в блоке управления двигателя «J623» (оба параметра влияют на мощность двигателя и показатели токсичности выхлопа). На а/м с сажевым фильтром фактический пробег при согласовании сохранить в блоке управления двигателя.
[Источник контента — указанный веб-сайт: audimanual.ru]
