7-1 Przełącznik "AUTO HOLD"
# Dla modeli LHD
# # Dla modeli RHD
** Przekrój zmieniony z 1,5 mm² na 2,5 mm² (stopniowa zmiana)
7-2 Przełącznik "TCS" i "ESP"
**Zobacz podstawowe schematy wyposażenia;
# # # Tylko modele z systemem nawigacyjnym lub bez niego
7-3 Moduły czujników ESP
* Dla modeli AFW
** kolor przewodu zmieniony z or/sw na or/ws, zmiana stopniowa
*** dla modeli z dynamicznym układem kierowniczym (1N7) i tylnym mechanizmem różnicowym "quattro Sport" (GH2)
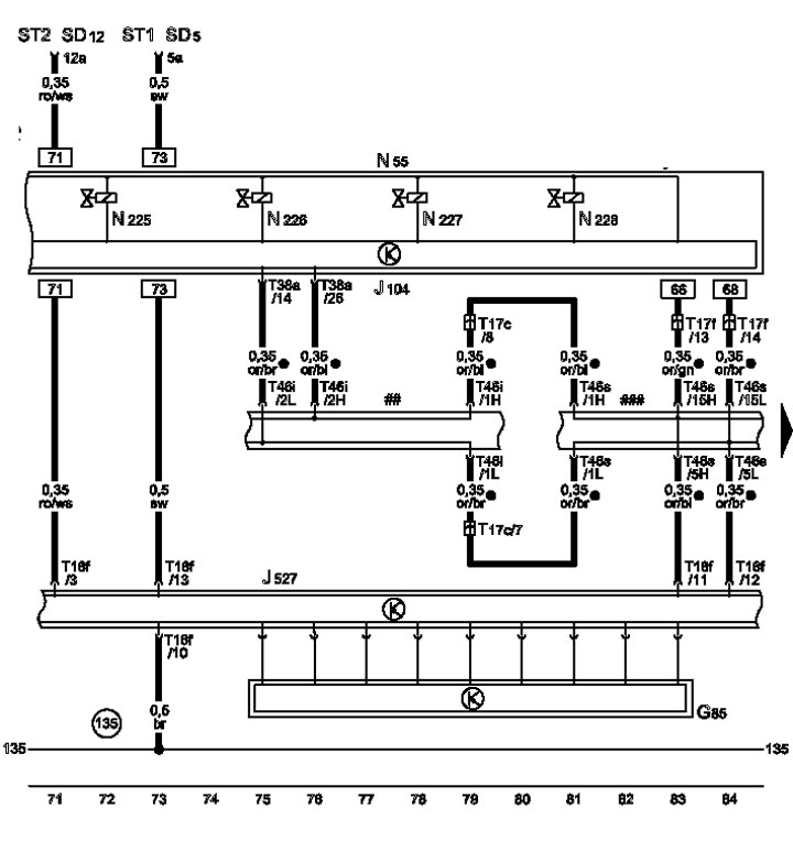
7-4 Czujnik koła
* w zależności od wyposażenia, dla modeli z numerem PR (1BL) J104
7-5 D/W światła hamowania, zawory ABS
* Cewka światła hamowania
**Nieużywane, zmiana stopniowa
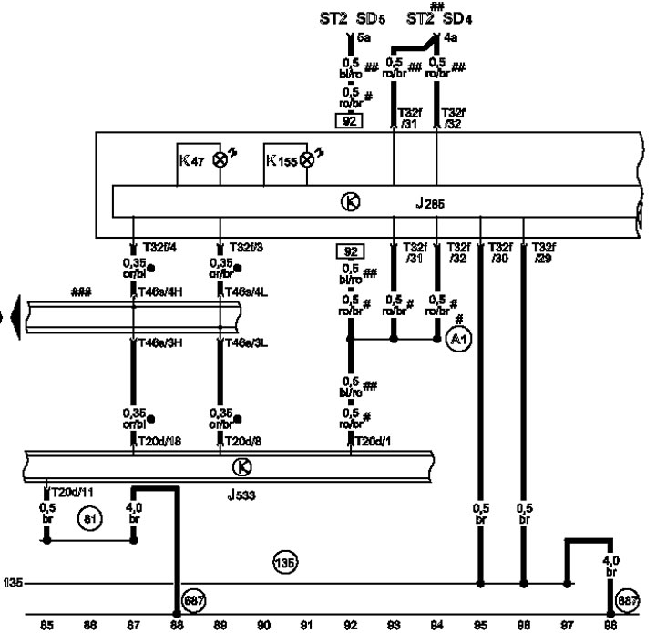
7-6 Czujnik kąta skrętu kierownicy, rozłącznik CAN
# #/# # # Brązowy mostek wkładany po stronie kierowcy/pasażera,
**cm. Schemat CAN
7-8 Jednostka sterująca w desce rozdzielczej
# # Modele do 2009/od 2010.
# # # Brązowy mostek wtykowy na przednim złączu CAN po stronie pasażera, patrz schemat CAN

Komentarze gości