Зубчатый ремень изготовлен их полимера, усиленного стальным проволочным каркасом. Этот ремень не нужно ни смазывать, ни подтягивать.
Замена зубчатого ремня является чрезвычайно трудоемкой операцией. Для этого необходим целый ряд специальных инструментов (устройство для установки ВМТ, разметочный штифт или разметочные пластинки, ключ для гаек с двумя отверстиями, установочная линейка, опорное устройство с ножками или грузоподъемное приспособление, угломерный круг, контропора и т.д,). Если при регулировке будет допущена ошибка, то это может привести к серьезнейшим повреждениям двигателя.
Замена ремня является очень сложным делом также вследствие того, что обращение с демпфированными натяжными элементами, демонтаж и установка натяжного элемента поликлинового ремня, а также демонтаж и установка кожуха ремня предполагают наличие соответствующих знаний и опыта. Кроме того, при монтаже необходимо по-новому отрегулировать фазы газораспределения. По этой причине мы не останавливаемся на демонтаже и установке зубчатого ремня, более того, мы настоятельно рекомендуем для замены ремня обратиться в мастерскую.
Привод зубчатым ремнем в двигателе ALZ 1,6 л: 1 - поворотный затвор, 2 - кожух зубчатого ремня - верхняя часть, 3 - центральный винт (ослаблять и затягивать с помощью контропоры 3415, момент затяжки 100 Нм), 4 - шестерня распределительного вала, 5 - комбинация винта с шайбой (10 Нм), 6 - кожух зубчатого ремня - задняя часть, 7 - винт с внутренним шестигранником (10 Нм), 8 - уплотнительное кольцо круглого сечения, 9 - насос системы охлаждения, 10 - зубчатый ремень, 11 - шестерня коленчатого вала, 12 - винт(90 Нм, затем довернуть еще на 90°), 13 - кожух зубчатого ремня - нижняя часть, 14 - винты (10 Нм), 15 - гаситель колебаний (шкив), 16 - винт (25 Нм), 17 - кожух зубчатого ремня - средняя часть, 18 - натяжной ролик, 19 - шайба, 20 - гайки (20 Нм).
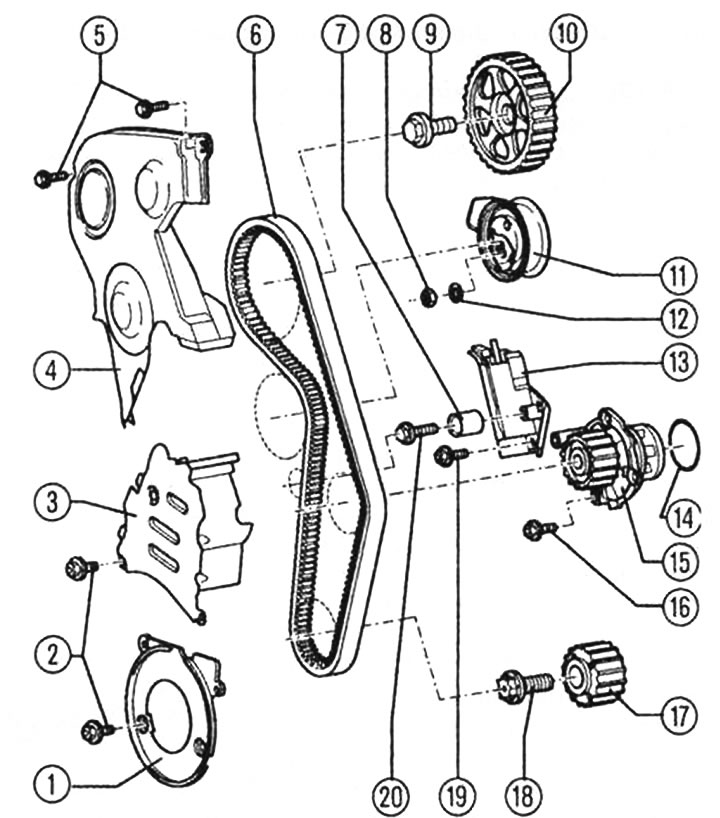
Привод зубчатым ремнем в двигателях ALT и AVJ: 1 - кожух зубчатого ремня - нижняя часть, 2 - винты (10 Нм), 3 - кожух зубчатого ремня - средняя часть, 4 - кожух зубчатого ремня - верхняя часть (аккуратно прикрепить к средней части кожуха; позиция 4 в двигателях AVJ выполнена несколько по-иному, чем в двигателях ALT), 5 - винты, 6 - зубчатый ремень, 7 - направляющий ролик, 8 - гайка (27 Нм), 9 - центральный винт (ослаблять и затягивать с помощью контропоры 3036, момент затяжки 65 Нм), 10 - зубчатое колесо распределительного вала, 11 - натяжной ролик, 12 - шайба, 13 - натяжное устройство для зубчатого ремня, 14 - уплотнительное кольцо круглого сечения, 15 - насос системы охлаждения, 16 - винт (15 Нм), 17 - шестерня коленчатого вала, 18 - винт (ослаблять и затягивать с помощью контропоры 3415, момент затяжки 90 Нм, затем довернуть еще на 90°; винт заменить, не смазывать), 19 - винт (15 Нм), 20 - винт (25 Нм).
Привод зубчатым ремнем в 6-цилиндровых двигателях ASN: 1,3, 8 и 30 - винты (самостопорящиеся, 45 Нм), 2 и 6 - шайба, 4 - натяжной ролик, 5 - натяжной рычаг, 7 - зубчатый ремень, 9 - зубчатое колесо выпускного распределительного вала (правый ряд цилиндров), 10 - зубчатое колесо впускного распределительного вала (правый ряд цилиндров), 11, 13, 16, 17, 22 и 34 - винты (некоторые самостопорящиеся, 10 Нм), 12 - держа гель направляющего ролика, 14 - кожух зубчатого ремня - задняя правая часть, 15 - направляющий ролик, 18 - механический насос системы охлаждения, 19 - уплотнительная прокладка, 20 - зубчатое колесо впускного распределительного вала (левый ряд цилиндров), 23 - зубчатое колесо выпускного распределительного вала (левый ряд цилиндров), 24 - винт(100 Нм), 25 - уплотнительное кольцо круглого сечения, 26 - крышка, 27 - стопорное кольцо, 28 - алмазная шайба, 29 - эксцентриковый ролик, 31 - шестерня коленчатого вала, 32 - центральный винт (200 Нм, затем довернуть еще на пол-оборота), 33 - натяжное устройство для зубчатого ремня.
Если Вы все-таки решили работать с зубчатым ремнем, ни в коем случае не подвергайте его продольному изгибу. Если ремень хотя бы один раз был изогнут, то его необходимо поменять. В процессе эксплуатации такой ремень может порваться, а это ведет к серьезным повреждениям двигателя.
Важно также, чтобы при вращении распределительного вала со снятым зубчатым ремнем в ВМТ не стоял ни один поршень, иначе могут возникнуть серьезные повреждения поршней или клапанов.

Комментарии посетителей