1-1 Bezpieczniki, zasilanie
* do października 2004 r.;
** od listopada 2004 r.;
*** dla modeli ze skrzynią manualną;
**** dla modeli z AT, patrz schemat AT;
***** modyfikacja krok po kroku
1-2 ECM, przekaźnik zasilania podzespołów silnika, przekaźnik zasilania Motronic ECM, bezpieczniki
* modele z AT AG6;
** modele z CVT01J/0AN
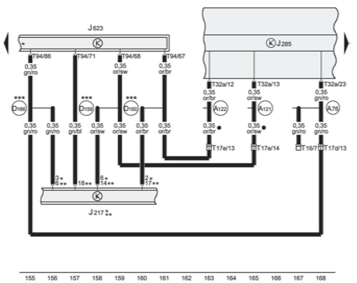
1-4 ECM, wtryskiwacze, lewy zawór elektromagnetyczny mocowania układu napędowego
* do października 2004 r.;
** od listopada 2004 r.;
*** modele z AT AG6
1-5 Zawór elektromagnetyczny do regulacji ciśnienia doładowania, Zawór elektromagnetyczny 1 EVAP
* modele z pompą diagnostyczną dla systemu;
** N₂76 zastąpiono przez N₂90
1-5 ECM, sondy lambda
1-6 ECM, czujnik CKP, czujnik spalania stukowego
1-7 ECM, czujnik wysokości bezwzględnej, czujniki IAT i ECT, potencjometr klapy kolektora dolotowego, czujnik ciśnienia paliwa niskiego ciśnienia, siłownik klapy kolektora dolotowego
1-8 ECM, czujnik ciśnienia doładowania, czujnik CMP, czujnik ciśnienia paliwa, czujnik ciśnienia kolektora dolotowego
1-9 ECM, przepływomierz powietrza, zawór sterujący wałkiem rozrządu zaworów dolotowych 1
1-10 ECM, czujnik światła hamowania, czujnik położenia pedału przyspieszenia, moduł przepustnicy *cm. Schemat układu ABS; **dla modeli ze skrzynią manualną
1-11 ECM, cewki zapłonowe, czujnik poziomu oleju silnikowego i temperatury
1-12 ECM, jednostka sterująca w desce rozdzielczej, jednostka sterująca AT
* dla modeli z AT AG5;
** dla modeli z CVT01JCAT;
*** anulowane dla modeli bez AT
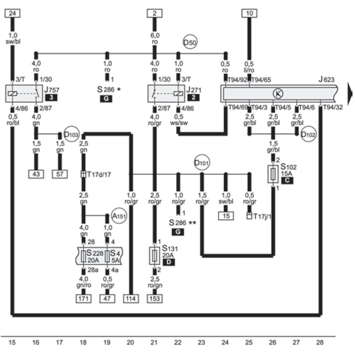
1-13 Jednostka sterująca w desce rozdzielczej, jednostka sterująca pompą paliwa, pompa napełniająca układ paliwowy, czujnik rezerwy paliwa nr 2
* Złącze anulowane dla modeli AWD;
** dla modeli AWD;
*** wyjście sygnału uziemienia
1-14 Jednostka sterująca w desce rozdzielczej, czujnik niskiego poziomu płynu chłodzącego, czujnik ciśnienia oleju silnikowego
* dla modeli od 2006 r.;
** dla modeli od sierpnia 2004 r.

Komentarze gości