Naprawa Chevrolet Naprawa Toyota Naprawa Honda Naprawa AvtoVAZ Naprawa Mercedes-Benz Naprawa BMW Naprawa Opel
Główna  |  Łączność  |  Mapa strony  |  Szukaj:  
Polski Русский
English
Български
Беларускі
Український
Српски
Hrvatski
Română
Slovenský
Magyar
AudiManual.ru
 
 
 
 
 
 
 
 
 
 
  • AUDI 80
  • AUDI 100
  • AUDI A3
  • AUDI A4
  • AUDI A6
  • AUDI A8
  • AUDI Q
  • INNY
  • ARTYKUŁY
B7 (2004-2008) B6 (2000-2006) B6 (2000-2006, benzyna) B5 (1994-2001) B5 (1994-2001, benzyna)

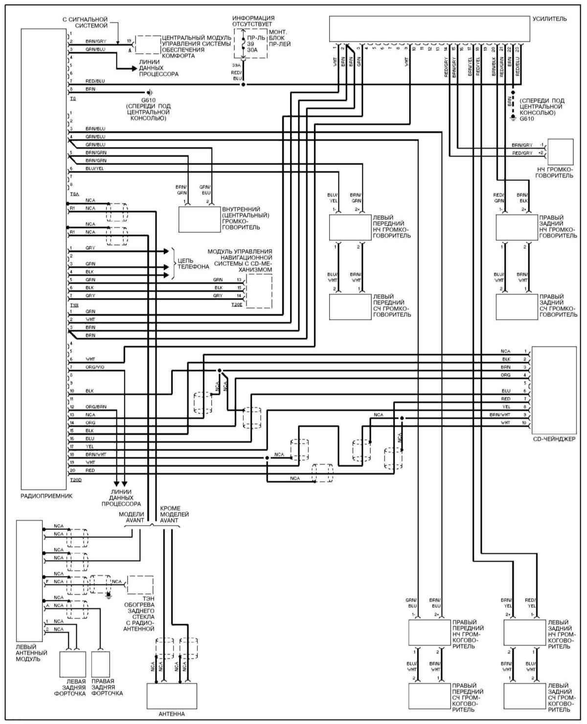
System audio ze wzmacniaczem (Audi A4 B6)

  • Główna
  • Audi A4
  • B6 (2000-2006)
  • Sprzęt elektryczny
  • Obwody elektryczne
  • System audio ze wzmacniaczem
            0

Otwórz duży obraz w nowym oknie »

Oznaczenia tych i innych urządzeń elektrycznych zobacz tutaj.
Artykuł sprawdził ekspert motoryzacyjny Aleksiej Iwanow
Ten artykuł jest dostępny na rosyjski, angielski, bułgarski, białoruski, ukraiński, serbski, chorwacki, rumuński, słowacki, węgierski

Dzielić informacje:
Poprzednie artykuły
Audi A4 B6: Obwody elektryczne
Kolejne artykuły

System audio Bose
Elektryczne podnośniki szyb
Elektryczna roleta przeciwsłoneczna tylnej szyby
Elektryczny szyberdach/miękki dach
Elektrycznie podgrzewana tylna szyba
System audio bez wzmacniacza
Pojedynczy zamek
System nawigacyjny
Napęd zwalniający zatrzask pokrywy bagażnika
System antykradzieżowy


Podobne artykuły na temat innych modeli samochodów Audi:
System automatycznego sterowania Audi 80 B3 (1986-1991, Benzyna)
System sterowania pokładowego (OBCS) Audi 100 C3 (1982-1990, diesel)
System ogrzewania, wentylacji i klimatyzacji Audi A3 Typ 8L (1996-2003)
Centralny zamek i system audio Audi A6 C4 (1994-1997)
System poduszek powietrznych Audi A8 D2 (1994-2002)
Centralnie sterowany system blokowania Audi Q5 Typ 8R (2008-2017)
Radio lub system nawigacyjny Plus — Aktywacja kodowania bezpieczeństwa Audi A2 (1999-2005)
Link do tej strony w różnych formatach
HTMLTextBB Code


Komentarze gości


Brak komentarzy


Ile będzie 40 + 18 =
       



A4(B7, 2004-2008) 
  • Informacje ogólne
  • Wprowadzenie do instrukcji
  • Rozwiązywanie problemów
  • Instrukcje obsługi
  • Konserwacja
  • Silnik i systemy
  • Silniki benzynowe 2.0 (ALT)
  • Silniki benzynowe 2.0 (TFSI)
  • Silniki benzynowe 1,8 (MPI)
  • Silniki diesla
  • Układ chłodzenia
  • Klimatyzator
  • Układ zasilania i wydechu
  • Układ zapłonowy
  • Uruchamianie i ładowanie
  • Transmisja
  • Sprzęgło
  • Mechaniczna skrzynia
  • Automatyczna skrzynia
  • Wały napędowe
  • Podwozie
  • Układ hamulcowy
  • Zawieszenie przednie
  • Tylne zawieszenie
  • Układ kierowniczy
  • Karoseria
  • Zewnętrzny
  • Wnętrze
  • Sprzęt elektryczny
  • Sprzęt i instrumenty
  • Oświetlenie i alarm
  • Wycieraczki i spryskiwacze szyb
  • Schematy elektryczne
  • Schematy elektryczne (od 2007)
 
A4(B6, 2000-2006) 
  • Informacje ogólne
  • Opis Pojazdu
  • Instrukcja obsługi
  • Konserwacja
  • Silnik i systemy
  • Benzynowy silnik
  • Diesla silnik
  • System smarowania
  • Układ chłodzenia
  • Układ zasilania
  • Układ wtryskowy
  • Układ wydechowy
  • Zapłon i sterowanie
  • Transmisja
  • Skrzynia biegów
  • Wały sprzęgła i napędu
  • Podwozie
  • Układ hamulcowy
  • Zawieszenie samochodu
  • Układ kierowniczy
  • Karoseria
  • Ogrzewanie i wentylacja
  • Na zewnątrz (elementy zewnętrzne)
  • Wnętrze (elementy wewnętrzne)
  • Sprzęt elektryczny
  • Urządzenia zasilające
  • Oświetlenie i sprzęt
  • Obwody elektryczne
 
A4(B6, 2000-2006, benzyna) 
  • Informacje ogólne
  • Wprowadzenie do przewodnika
  • Opieka nad samochodem
  • Silnik i systemy
  • Naprawa silnika
  • System smarowania
  • Układ chłodzenia
  • Układ wtrysku i sterowania
  • Sytem zapłonu
  • Układ zasilania i wydechu
  • Transmisja
  • Wały sprzęgła i napędu
  • Skrzynia biegów
  • Podwozie
  • Zawieszenie i koła
  • Układ kierowniczy
  • Układ hamulcowy
  • Karoseria
  • Wnętrze
  • Zewnętrzny
  • Sprzęt elektryczny
  • Sprzęt i urządzenia
  • Oświetlenie i sygnalizacja
  • Urządzenia zasilające
  • Obwody elektryczne
 
A4(B5, 1994-2001) 
  • Informacje ogólne
  • Wprowadzenie do przewodnika
  • Opieka nad samochodem
  • Konserwacja (benzyna)
  • Konserwacja (diesel)
  • Silnik i systemy
  • Silniki benzynowe
  • Silniki diesla
  • Remont silnika
  • Układ chłodzenia
  • Wtrysk paliwa (benzyna)
  • Układ paliwowy (diesel)
  • Układ wydechowy
  • Sytem zapłonu
  • Transmisja
  • Sprzęgło
  • Mechaniczna skrzynia
  • Automatyczna skrzynia
  • Wały napędowe
  • Podwozie
  • Układ hamulcowy
  • Zawieszenie samochodu
  • Układ kierowniczy
  • Karoseria
  • Zewnętrzny
  • Wnętrze
  • Drzwi, zamki i okna
  • Ogrzewanie i wentylacja
  • Sprzęt elektryczny
  • Urządzenia zasilające
  • Sprzęt i urządzenia
  • Obwody elektryczne
 
A4(B5, 1994-2001, benzyna) 
  • Informacje ogólne
  • Opis Pojazdu
  • Konserwacja
  • Silnik i systemy
  • Naprawa silnika
  • Turbodoładowanie
  • Układ wydechowy
  • Układ chłodzenia
  • Sytem zapłonu
  • System paliwowy
  • System wtrysku Motronic
  • Układ wtrysku MPI i MPFI
  • Transmisja
  • Sprzęgło
  • Skrzynia biegów i wały
  • Podwozie
  • Układ kierowniczy
  • Zawieszenie samochodu
  • Układ hamulcowy
  • Koła i opony
  • Karoseria
  • Ogrzewanie i wentylacja
  • Części karoserii
  • Sprzęt elektryczny
  • Bezpieczniki i przekaźniki
  • Urządzenia zasilające
  • Oświetlenie i lampy
  • Narzędzia i urządzenia
  • Obwody elektryczne
 
AudiManual.ru © 2017-2025 · Wersja mobilna · Informacja zwrotna · Mapa strony: EN BG BY UA RS HR RO PL SK HU · Wyszukiwanie w witrynie · Nowości i artykuły
80 B2 · 80 B3 Benzyna · 80 B3 · 80 B4 · 100 C3 diesel · 100 C3 benzyna · 100 C3 · 100 C4 Benzyna · 100 C4 · A3 Typ 8L · A4 B5 benzyna · A4 B5 · A4 B6 benzyna · A4 B6 · A4 B7 · A6 C4 · A6 C5 · A6 C5 Allroad · A8 D2 · Q5 Typ 8R · Audi A2 · 0.057