Naprawa Chevrolet Naprawa Toyota Naprawa Honda Naprawa AvtoVAZ Naprawa Mercedes-Benz Naprawa BMW Naprawa Opel
Główna  |  Łączność  |  Mapa strony  |  Szukaj:  
Polski Русский
English
Български
Беларускі
Український
Српски
Hrvatski
Română
Slovenský
Magyar
AudiManual.ru
 
 
 
 
 
 
 
 
 
 
  • AUDI 80
  • AUDI 100
  • AUDI A3
  • AUDI A4
  • AUDI A6
  • AUDI A8
  • AUDI Q
  • INNY
  • ARTYKUŁY
B7 (2004-2008) B6 (2000-2006) B6 (2000-2006, benzyna) B5 (1994-2001) B5 (1994-2001, benzyna)

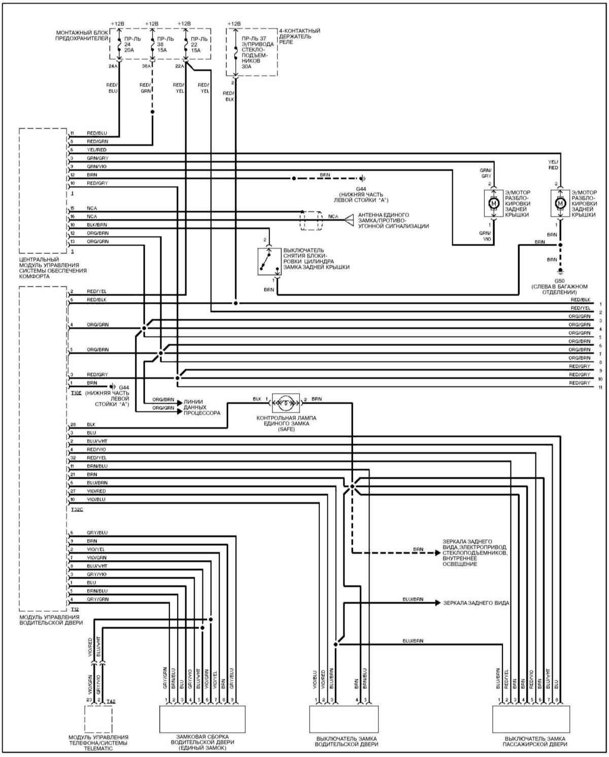
Pojedynczy zamek (Audi A4 B6)

  • Główna
  • Audi A4
  • B6 (2000-2006)
  • Sprzęt elektryczny
  • Obwody elektryczne
  • Pojedynczy zamek
            0

Otwórz duży obraz w nowym oknie »



Otwórz duży obraz w nowym oknie »

Oznaczenia tych i innych urządzeń elektrycznych zobacz tutaj.
Artykuł sprawdził ekspert motoryzacyjny Aleksiej Iwanow
Ten artykuł jest dostępny na rosyjski, angielski, bułgarski, białoruski, ukraiński, serbski, chorwacki, rumuński, słowacki, węgierski

Dzielić informacje:
Poprzednie artykuły
Audi A4 B6: Obwody elektryczne
Kolejne artykuły

System audio bez wzmacniacza
System audio ze wzmacniaczem
System audio Bose
Elektryczne podnośniki szyb
System nawigacyjny
Napęd zwalniający zatrzask pokrywy bagażnika
System antykradzieżowy


Podobne artykuły na temat innych modeli samochodów Audi:
Zamek centralny Audi 80 B3 (1986-1991, Benzyna)
Zamek pokrywy bagażnika — wymontowanie, zamontowanie i regulacja Audi 100 C3 (1982-1990, diesel)
Zamek pokrywy bagażnika Audi A6 C5 (1997-2004)
Zamek drzwi przednich Audi A8 D2 (1994-2002)
Zamek drzwi przednich i uchwyt montażowy Audi Q5 Typ 8R (2008-2017)
Zamek drzwiowy i cylinder zamka — smarowanie Audi A2 (1999-2005)
Link do tej strony w różnych formatach
HTMLTextBB Code


Komentarze gości


Brak komentarzy


Ile będzie 26 + 30 =
       



A4(B7, 2004-2008) 
  • Informacje ogólne
  • Wprowadzenie do instrukcji
  • Rozwiązywanie problemów
  • Instrukcje obsługi
  • Konserwacja
  • Silnik i systemy
  • Silniki benzynowe 2.0 (ALT)
  • Silniki benzynowe 2.0 (TFSI)
  • Silniki benzynowe 1,8 (MPI)
  • Silniki diesla
  • Układ chłodzenia
  • Klimatyzator
  • Układ zasilania i wydechu
  • Układ zapłonowy
  • Uruchamianie i ładowanie
  • Transmisja
  • Sprzęgło
  • Mechaniczna skrzynia
  • Automatyczna skrzynia
  • Wały napędowe
  • Podwozie
  • Układ hamulcowy
  • Zawieszenie przednie
  • Tylne zawieszenie
  • Układ kierowniczy
  • Karoseria
  • Zewnętrzny
  • Wnętrze
  • Sprzęt elektryczny
  • Sprzęt i instrumenty
  • Oświetlenie i alarm
  • Wycieraczki i spryskiwacze szyb
  • Schematy elektryczne
  • Schematy elektryczne (od 2007)
 
A4(B6, 2000-2006) 
  • Informacje ogólne
  • Opis Pojazdu
  • Instrukcja obsługi
  • Konserwacja
  • Silnik i systemy
  • Benzynowy silnik
  • Diesla silnik
  • System smarowania
  • Układ chłodzenia
  • Układ zasilania
  • Układ wtryskowy
  • Układ wydechowy
  • Zapłon i sterowanie
  • Transmisja
  • Skrzynia biegów
  • Wały sprzęgła i napędu
  • Podwozie
  • Układ hamulcowy
  • Zawieszenie samochodu
  • Układ kierowniczy
  • Karoseria
  • Ogrzewanie i wentylacja
  • Na zewnątrz (elementy zewnętrzne)
  • Wnętrze (elementy wewnętrzne)
  • Sprzęt elektryczny
  • Urządzenia zasilające
  • Oświetlenie i sprzęt
  • Obwody elektryczne
 
A4(B6, 2000-2006, benzyna) 
  • Informacje ogólne
  • Wprowadzenie do przewodnika
  • Opieka nad samochodem
  • Silnik i systemy
  • Naprawa silnika
  • System smarowania
  • Układ chłodzenia
  • Układ wtrysku i sterowania
  • Sytem zapłonu
  • Układ zasilania i wydechu
  • Transmisja
  • Wały sprzęgła i napędu
  • Skrzynia biegów
  • Podwozie
  • Zawieszenie i koła
  • Układ kierowniczy
  • Układ hamulcowy
  • Karoseria
  • Wnętrze
  • Zewnętrzny
  • Sprzęt elektryczny
  • Sprzęt i urządzenia
  • Oświetlenie i sygnalizacja
  • Urządzenia zasilające
  • Obwody elektryczne
 
A4(B5, 1994-2001) 
  • Informacje ogólne
  • Wprowadzenie do przewodnika
  • Opieka nad samochodem
  • Konserwacja (benzyna)
  • Konserwacja (diesel)
  • Silnik i systemy
  • Silniki benzynowe
  • Silniki diesla
  • Remont silnika
  • Układ chłodzenia
  • Wtrysk paliwa (benzyna)
  • Układ paliwowy (diesel)
  • Układ wydechowy
  • Sytem zapłonu
  • Transmisja
  • Sprzęgło
  • Mechaniczna skrzynia
  • Automatyczna skrzynia
  • Wały napędowe
  • Podwozie
  • Układ hamulcowy
  • Zawieszenie samochodu
  • Układ kierowniczy
  • Karoseria
  • Zewnętrzny
  • Wnętrze
  • Drzwi, zamki i okna
  • Ogrzewanie i wentylacja
  • Sprzęt elektryczny
  • Urządzenia zasilające
  • Sprzęt i urządzenia
  • Obwody elektryczne
 
A4(B5, 1994-2001, benzyna) 
  • Informacje ogólne
  • Opis Pojazdu
  • Konserwacja
  • Silnik i systemy
  • Naprawa silnika
  • Turbodoładowanie
  • Układ wydechowy
  • Układ chłodzenia
  • Sytem zapłonu
  • System paliwowy
  • System wtrysku Motronic
  • Układ wtrysku MPI i MPFI
  • Transmisja
  • Sprzęgło
  • Skrzynia biegów i wały
  • Podwozie
  • Układ kierowniczy
  • Zawieszenie samochodu
  • Układ hamulcowy
  • Koła i opony
  • Karoseria
  • Ogrzewanie i wentylacja
  • Części karoserii
  • Sprzęt elektryczny
  • Bezpieczniki i przekaźniki
  • Urządzenia zasilające
  • Oświetlenie i lampy
  • Narzędzia i urządzenia
  • Obwody elektryczne
 
AudiManual.ru © 2017-2025 · Wersja mobilna · Informacja zwrotna · Mapa strony: EN BG BY UA RS HR RO PL SK HU · Wyszukiwanie w witrynie · Nowości i artykuły
80 B2 · 80 B3 Benzyna · 80 B3 · 80 B4 · 100 C3 diesel · 100 C3 benzyna · 100 C3 · 100 C4 Benzyna · 100 C4 · A3 Typ 8L · A4 B5 benzyna · A4 B5 · A4 B6 benzyna · A4 B6 · A4 B7 · A6 C4 · A6 C5 · A6 C5 Allroad · A8 D2 · Q5 Typ 8R · Audi A2 · 0.028