2. Odvijte tlačni hidraulički vod s radnog cilindra. Budite oprezni, tako će tekućina za kočnice iscuriti, a tekućina ne smije doći na mjenjač. Također zapamtite da nakon odspajanja cjevovoda ne možete pritisnuti papučicu spojke.
3. Otpustite pričvrsne vijke i izvucite cilindar iz kućišta mjenjača prema natrag.
4. U slučaju podređenog cilindra s potpornim prstenom, lagano podmažite vanjsku površinu prstena mašću prilikom postavljanja cilindra.
5. Prilikom ugradnje cilindra, pritisnite ga unazad tako da se može ugraditi pričvrsni vijak.
6. Nakon završetka instalacije, uklonite zrak iz hidrauličkog sustava.
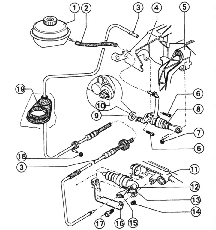
Pojedinosti o pogonu hidrauličke spojke s pomoćnim cilindrom: 1 - spremnik kočione tekućine, 2 - crijevo, 3 - cijev, 4 - nosač ležaja, 5 - pedala kvačila, 6 - imbus vijak, 7 - vijak, 8 - primarni cilindar, 9 - brtva, 10 - bravni nosač, 11 - mjenjač, 12 - podređeni cilindar, 13 - zračni ventil, 14 - bravni nosač, 15 - držač, 16 - imbus vijak, 17 - šesterokutni vijak, 18 i 19 - brtva.
(Izvorna verzija članka objavljena je na web stranici AUDIMANUAL.RU)
