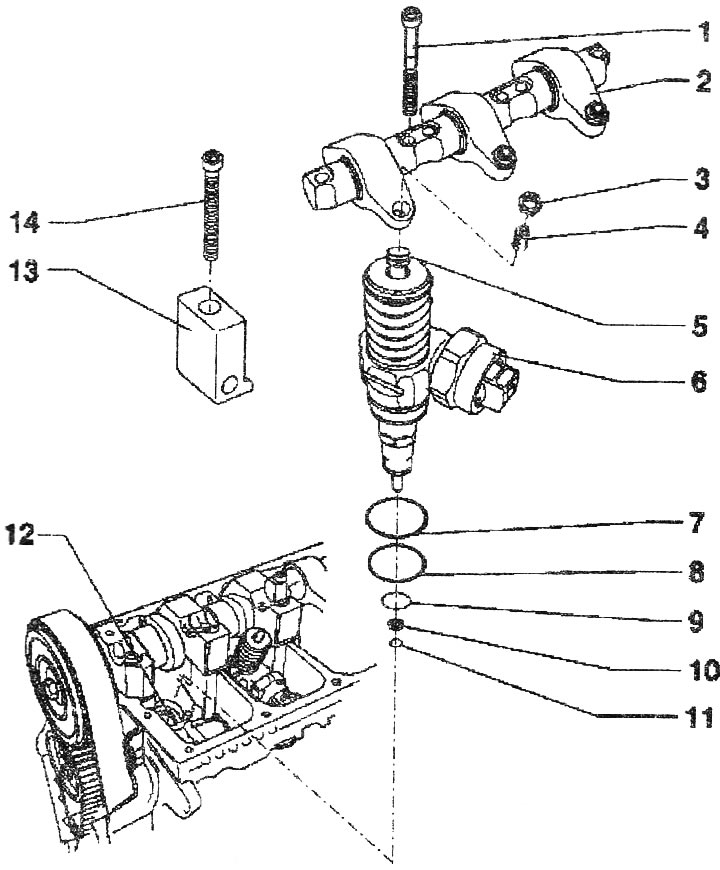
Части и възли на помпа-инжектор:
1. Болт. 20 Nm + завъртете още 90°. Замяна
2. Ос на кобилицата с кобилица
3. Контрагайка
4. Регулиращ болт. Сменете при инсталиране на нова помпа-инжектор и ако има признаци на износване
5. Болт със сферична глава. Замяна
6. Помпа-дюза
7-9. Уплътнителен пръстен. Замяна
10. Топлозащитно уплътнение. Замяна
11. Задържащ пръстен
12. Цилиндрова глава
13. Затягаща обувка
14. Болт. 12 Nm + допълнително завъртане на 270°. Замяна
Тази статия е копирана от онлайн ресурс: AUDImanual

Коментари на посетители