Инструкции. След монтиране на разпределителния вал двигателят не трябва да се стартира около 30 минути. Хидравличните кранове трябва да бъдат нагласени (в противен случай клапаните ще докоснат буталата). След работа по клапанния механизъм, завъртете двигателя на ръка поне 2 оборота, за да сте сигурни, че нито един от клапаните не е в контакт с буталото. Смажете опорните и работните повърхности с масло.
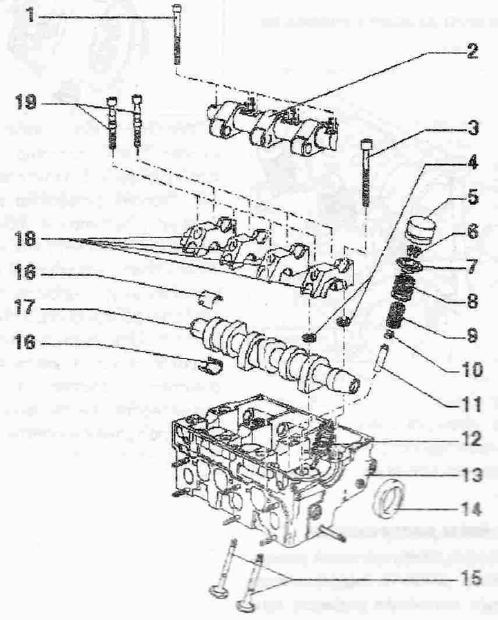
Клапанен механизъм:
1. Болт, замяна. Спазвайте последователността при разхлабване и затягане на болтовете, затегнете до 20 Nm + 90°
2. Оста на кобилицата. Спазвайте последователността при разхлабване и затягане на болтовете
3. Болт. Сменете, спазвайте последователността при разхлабване и затягане на болтовете, преди монтаж поставете шайби "поз. 4" в главата на цилиндъра
4. Шайби за болтове на цилиндровата глава. Монтирайте в главата на цилиндъра, преди да поставите капачките на лагерите
5. Хидравличен тласкач. Проверете, не смесвайте местата (маркирайте), сгънете с работната повърхност надолу, проверете аксиалната хлабина на разпределителния вал преди монтажа, смажете работната повърхност с масло
6. Клапанни бисквити
7. Вентилна пружинна плоча
8. Външна пружина на клапана. Демонтирайте и монтирайте с монтирана глава на цилиндъра или свалете и монтирайте със свалена глава на цилиндъра с помощта на изтегляч на пружината на клапана
9. Вътрешна пружина на клапана. Свалете и монтирайте с монтирана глава на цилиндъра или свалете и монтирайте със свалена глава на цилиндър, като използвате издърпвача на пружината на клапана "203710"
10. Семеринг. Сменете
I. Водач на клапана. Проверете
12. Модул помпа-инжектор
13. Цилиндрова глава
14. Уплътнителен маншет. Сменете
15. Клапани. Проверете. Размерите на вентилите не могат да бъдат променяни, разрешено е само припокриване
16. Лагерна вложка. Вземете предвид позицията на монтаж. Не разменяйте използвани преди това лагерни черупки (при премахване маркирайте), проверете правилната позиция на заключващите пластини в лагерните капачки и главата на цилиндъра
17. Разпределителен вал. Проверете радиалната хлабина с помощта на ленти Plastigage. Граница на износване на радиалната хлабина: 0,11 мм, биене: максимум 0,20 мм
18. Капак на лагера. Капакът на лагера 4 е маркиран като капак на лагера "5". Уплътнете лагерните капачки 1 и 4 с уплътнител
19. Болт. Сменете, затегнете 8 Nm + 90°

Коментари на посетители