Obsah: Odstránenie ↓ Inštalácia ↓
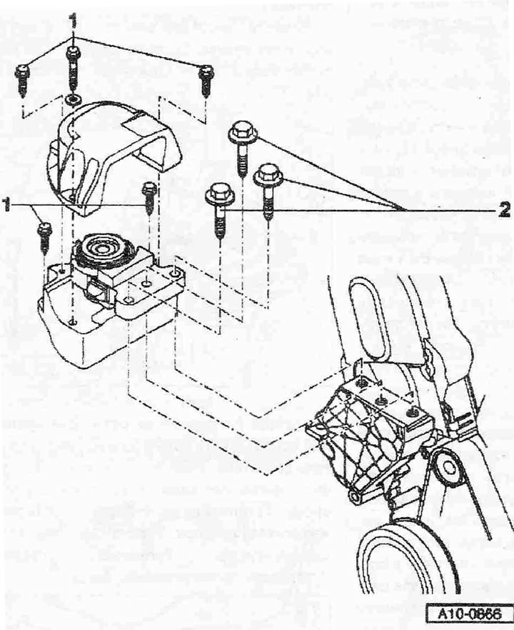
Držiak motora s krytom držiaka motora
1. Skrutka. Vymeňte, 23 Nm + otočte ďalej o + 90°
2. Skrutka. Vymeňte, 60 Nm + otočte ďalej o + 90°
Odstránenie
Odstráňte kapotu. Odstráňte rezonátor (kde to je). Odpojte konektor "2" merača prietoku vzduchu "G70". Odstráňte vákuovú hadicu. Uvoľnite hadicovú svorku "4" a umiestnite vedenie vzduchu s meračom prietoku vzduchu "G70" dopredu. poz. "3" sa neberie do úvahy.

Namontujte priečnik "10.222 A" s adaptérmi "10.222 A /13" a adaptérom "T40093/6" na okraje skrutkových spojov krídel. V tomto prípade vložte adaptér "10.222 A/13" do západiek krytu "šípka".

Upínacia skrutka v adaptéri "T40093/6" musí byť odskrutkovaná. Adaptér "T40093/6" sa inštaluje tak, aby jeho držiak smeroval nahor. Pripevnite háčik karabíny vodiacej skrutky "10.222 A/11" k oku motora. Utiahnite motor pomocou vodiacej skrutky, ale nezdvíhajte ho.

Odstráňte kryt držiaka motora odskrutkovaním skrutiek "1 a 2". Odskrutkujte skrutky "1 a 3" a odstráňte držiak s držiakom motora "2".
Inštalácia
Montáž prebieha v opačnom poradí, pričom sa berie do úvahy nasledovné: vymeňte skrutky, ktoré sú dodatočne utiahnuté do príslušného uhla. Hadice systému zvyšovania tlaku vzduchu a hadicová armatúra musia byť pred inštaláciou očistené od oleja a tuku. V žiadnom prípade nepoužívajte mazivá. Na zaistenie všetkých hadicových spojov použite svorky príslušnej série. Pri montáži nainštalujte všetky káblové pásky na ich pôvodné miesta. Nainštalujte vzduchové kanály do svoriek.

Uťahovacie momenty:
- Uchytenie motora ku karosérii: 23 + 90° 1)
- Držiak k podpere motora: 60 + 90° 1)
- Kryt k držiaku motora: 23 + 90° 1)
1) Vymeňte skrutky.
