Pokyny. Namažte všetky nosné a pracovné plochy olejom.
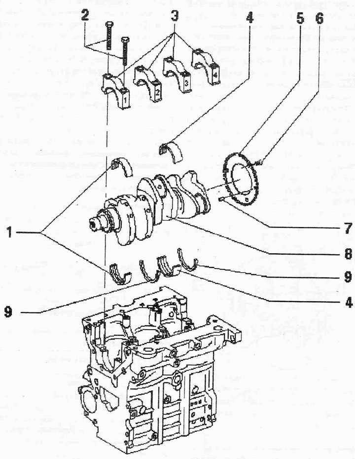
Kľukový hriadeľ:
1. Ložisková vložka 1, 2 a 4 pre kryt bez mazacej drážky, pre blok valcov s mazacou drážkou. Nevymieňajte predtým použité ložiskové panvy (pri odstraňovaní označte)
2. Skrutka. Nahradiť. 65 Nm + otočiť ďalej o +90°. Na meranie radiálnej vôle utiahnite na 65 Nm, ale už nedoťahujte
3. Kryt ložiska. Kryt ložiska 1: Strana remenice. Zaisťovacie výstupky ložísk/krytiek ložísk bloku valcov sa musia navzájom zhodovať
4. Ložisková vložka 3 pre kryt bez mazacej drážky, pre blok valcov s mazacou drážkou
5. Ozubené koleso snímača rýchlosti "G28". Po každom uvoľnení skrutiek vymeňte ozubené koleso
6. Skrutka. Vymeňte, 10 Nm + otočte ďalej o +90°
7. Montážny kolík. Skontrolujte výstupok z kľukového hriadeľa
8. Kľukový hriadeľ. Pred vybratím pripravte vhodné miesto na uskladnenie, aby ste predišli poškodeniu ozubeného kolesa "poz. 5". Nová axiálna vôľa: 0,07...0,17 mm; medza opotrebenia: 0,37 mm. Zmerajte radiálnu vôľu pomocou pásikov Plastigage. Nová radiálna vôľa: 0,03...0,08 mm; medza opotrebenia: 0,17 mm. Pri meraní radiálnej vôle neotáčajte kľukovým hriadeľom
9. Nastavovacia podložka bloku valcov, ložisko 3
Rozmery kľukového hriadeľa

(Odkaz na pôvodný zdroj je dostupný na webovej stránke: audimanual)
