Инструкция. Перед установкой все посадочные и рабочие поверхности необходимо смазать.
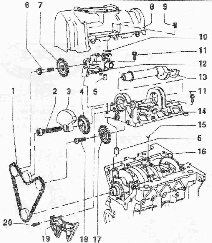
Балансирный вал и рама коленвала:
1. Цепь. Соблюдать монтажное положение
2. 100 Нм + довернуть на 90°, заменить. Для отворачивания и затяжки использовать насадку «Т10061»
3. Противовес, установка возможна только в одном положении
4. Звездочка балансирного вала, установка возможна только в одном положении
5. Центрирующая втулка
6. 20 Нм + довернуть на 90°, заменить
7. Звездочка масляного насоса, установка возможна только в одном положении
8. Маслоотделитель
9. 5 Нм
10. Уплотнительное кольцо, заменить, проверить надежность крепления, для установки слегка смазать маслом
11. Болт. Масляный насос к раме коленвала: 20 Нм + 90°; заменить болт. Рама коленвала к блоку цилиндров: 14 Нм +180°: заменить болт
12. Масляный насос с редукционным клапаном 11,5 бар, перед установкой убедиться в наличии двух центрирующих втулок
13. Балансирный вал
14. Рама коленвала., перед установкой убедиться в наличии центрирующей втулки в блоке цилиндров и уплотн. кольца в раме коленвала
15. Уплотнительное кольцо, заменить, следить за плотностью посадки в раме коленвала
16. Блок цилиндров, заменяется только в сборе с коленвалом
17. Звездочка свободного хода
18. 20 Нм
19. Натяжитель цепи с планкой, для снятия зафиксировать с помощью стопорного штифта «Т10060 А» или «Т10060»
20. 8 Нм + довернуть на 90°, заменить

Комментарии посетителей