Pričvršćivanje branika na amortizer koji apsorbira energiju: 1 - imbus vijak (23 Nm), 2 - donji pogonski rukavac, 3 - donji vijak za podešavanje (lijevi navoj), 4 - donji navojni rukavac (spriječeno ispadanje pomoću zatika za zaključavanje), 5 - zatik za zaključavanje, 6 - amortizer koji apsorbira energiju, 7 - gornji navojni rukavac (spriječeno ispadanje pomoću zatika za zaključavanje), 8 - gornji vijak za podešavanje (desni navoj), 9 - obloga, 10 - matica, 11 - gornji pogonski rukavac, 12 - prečka.
2. Prije postavljanja prednjeg odbojnika, potpuno zategnite gornji (B) i donji (3) vijak za podešavanje.
3. Ako trebate ukloniti dio vodilice, morat ćete ukloniti odbojnik. Za uklanjanje, odvrnite vijke 2.
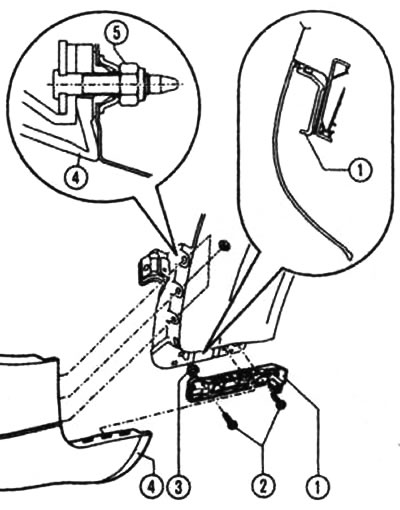
Vodič: 1 - dio vodilice, 2 - vijak (1,5 Nm), 3 - stezaljka, 4 - obloga, 5 - šesterokutna matica s prirubnicom (4 Nm).
4. Prilikom ugradnje, obloga mora pažljivo zahvatiti dio vodilice 1. Pristup šesterokutnoj matici s prirubnicom 5 može se dobiti samo nakon otpuštanja prednje polovice kućišta kotača.
