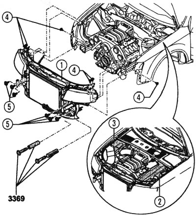
1. Za pomicanje držača za zaključavanje u servisni položaj, uklonite poklopce motora 2 i 3. Odvijte nosač i uklonite zračni kanal koji se nalazi između nosača i zračnog filtra.
Zaključajte nosač u servisnom položaju: 1 - nosač brave, 2 - lijevi poklopac motora, 3 - desni poklopac motora, 4 - vijak s podloškom (10 Nm), 5 - vijak s podloškom (50 Nm).
2. Uvrnite specijalni alat 3369 u rupe s desne i lijeve strane.
Uvrtanje specijalnog alata 3369
3. Otpustite pričvrsne vijke 4 i povucite držač za zaključavanje prema naprijed sve dok se stražnji otvor na nosaču ne poravna s prednjim otvorom s navojem u krilnom nosaču.
4. Učvrstite nosač brave tako da ga zavrtite s lijeve i desne strane.
Učvršćivanje nosača brave
5. Nakon postavljanja držača brave u normalan položaj, potrebno je provjeriti podešavanje prednjih svjetala; možda ih je potrebno podesiti.
