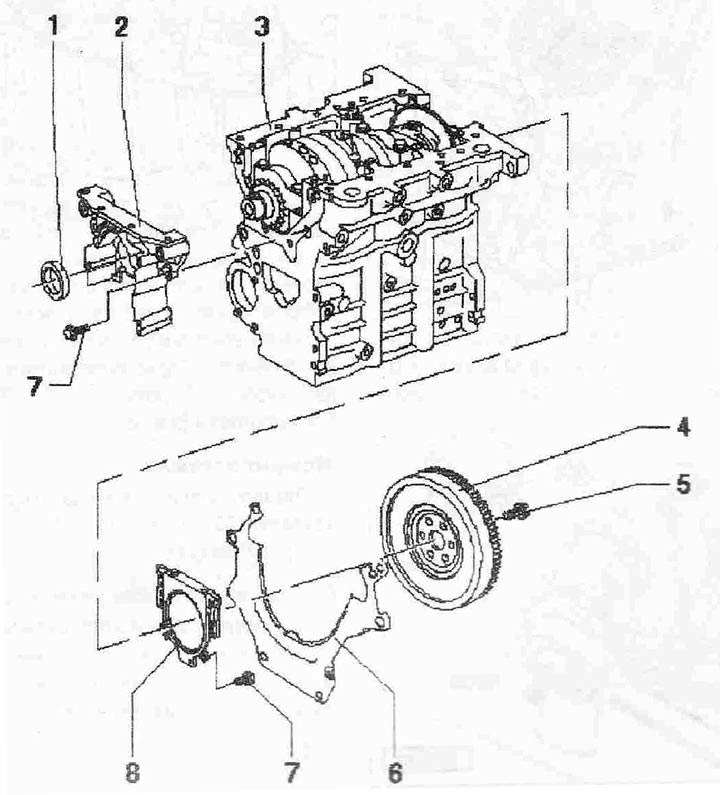
Уплътнителни фланци и двумасов маховик:
1. Уплътнителен маншет, сменете, не смазвайте с масло
2. Уплътнителният фланец от страната на ремъчната шайба трябва да бъде монтиран върху центриращите втулки
3. Цилиндров блок
4. Двумасов маховик, за демонтаж и монтаж с опора "33865"
5. Болт. Сменете, 60 Nm + завъртете допълнително с +90°
6. Междинният лист не трябва да бъде повреден/огънат по време на монтажните работи, той трябва да бъде монтиран върху центриращи втулки
7. Болт, 15 Nm
8. Уплътнителен фланец с маншет от страната на скоростната кутия с уплътнение на цилиндровия блок, монтирайте с помощта на уплътнител

Коментари на посетители