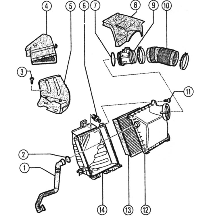
Въздушен филтър на двигателя 3.0L ASN: 1 - към двигателя V101 за допълнителната въздушна помпа, 2 и 7 - О-пръстен и О-пръстен, 3 и 11 - самонарезни винтове, 4 и 5 - части на въздуховода, 6 - дистанционна скоба, 8 - капак, 9 - разходомер на въздух G70, 10 - свързващ маркуч, 12 - горна част на корпуса на въздушния филтър, 13 - филтърна касета, 14 - долна част на корпуса.
Редовна поддръжка на въздушния филтър
Въздушният филтър е уплътнен към корпуса с помощта на гумено уплътнение. При преминаване през филтъра частиците мръсотия се отлагат във филтърната хартия с фини пори, а по-големите частици прах попадат в корпуса на филтъра. Филтърът може да върши своята работа само ако се поддържа редовно. Мръсният патрон не позволява достатъчно въздух да премине в двигателя. Сместа става по-богата, мощността пада и разходът на гориво се увеличава.
Пълната версия е публикувана в ресурса AudiManual
