Змест: Разборка ↓ Зборка ↓
Разборка
Зняць прывад механізму пераключэння перадач. Зняць мацаванне.
Адлучыць раз'ём "1" ад мацавання. Адлучыць электрараздымы "2" і "5". Разрэзаць кабельную сцяжку "3" і зняць заціск кабеля "4". Адкруціць ніты "стрэлкі", выняць прывад механізму пераключэння перадач з корпуса.

Адвёрткай зняць стопарныя шайбы "1". Выняць абедзве апорныя ўтулкі "2" селектары АКП з апорнай пліты. Выняць селектар АКП "3".

Асцярожна і раўнамерна атрымаць датчык распазнання становішча Е селектара АКП "Е258" поз. "1" пры дапамозе рычага "80.200", адціснуўшы якія фіксуюць выступы "стрэлка" вонкі.

Інструкцыя. У мацаванні размешчаны 2 штыфта, якія ўтрымліваюць датчык у патрэбным становішчы. Выконваць асцярожнасць, каб не пашкодзіць штыфты.
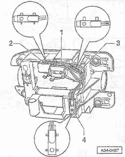
Адлучыць датчыкі "2, 3, 4" ад мацаванняў апорнай пліты. Зняць паляць правадоў разам з датчыкамі з апорнай пліты.
Зборка
Ўстаноўка ў зваротным парадку, прымаючы да ўвагі наступнае: усталяваць паляць правадоў разам з датчыкамі:
- 1. Датчык распазнання становішча N селектара АКП "F258"
- 2. Датчык распазнання становішча Е селектара АКП "F271"
- 3. Датчык распазнання становішча "Stop" селектара АКП "F259"
- 4. Датчык распазнання, у якой пазе знаходзіцца рычаг селектара АКП "F257"

Вертыкальна зверху ўставіць датчык распазнання становішча N селектара АКП "F258" у мацаванне "стрэлка зверху". Не пашкодзіць пры гэтым цапфы "А". Уставіць провад "стрэлка" у выманне апорнай пліты і зафіксаваць кабельнымі сцяжкамі "У". Праверыць праводку і штэкерныя раздымы паводле электрасхемы. Уставіць селектар АКП "3" у апорную пліту. Спераду ці ззаду ўставіць апорныя ўтулкі "2" селектары АКП у апорную пліту. Устанавіць стопарныя шайбы "1" апорных утулак у апорную пліту. Выгнутыя краю звернутыя ўнутр. Уставіць прывад механізму пераключэння перадач у корпус і зацягнуць ніты "стрэлкі". Уставіць штэкерны раз'ём "1" у мацаванне, падлучыць раз'ём "2" і зафіксаваць кабельнай сцяжкай "3". Падлучыць штэкерны раз'ём "5".
Арыгінальная версія артыкула размешчана на сайце AUDIMANUAL.RU
