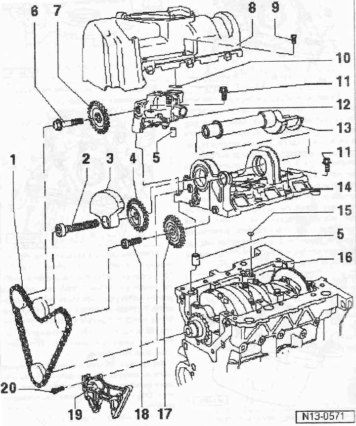
Инструкция. Смазать маслом все опорные и рабочие поверхности.
Балансирный вал и рамка коленвала:
1. Цепь. Соблюдать монтажное положение
2. Болт. Заменить (для ослабления и затяжки использовать комбинированный гаечный ключ «Т10061») 100 Нм + довернуть на +90°
3. Противовес. Установка возможна только в одном положении
4. Звездочка балансирного вала. Установка возможна только в одном положении
5. Установочная втулка
6. Болт. Заменить. 20 Нм + довернуть на +90°
7. Звездочка масляного насоса. Установка возможна только в одном положении
8. Маслоотделитель с уплотн. лентой
9. Болт, 5 Нм
10. Уплотнительное кольцо. Заменить. Проверить надежность посадки, для монтажа слегка смазать маслом
11. Болт. Масляный насос к рамке коленвала: 20 Нм + довернуть на +90°; заменить болт, рамка коленвала к блоку цилиндров: 14 Нм + довернуть на +180°; заменить болт
12. Масляный насос с предохранительным клапаном 11,5 бар. Перед установкой проверить наличие обеих центровочных втулок «поз. 5» для центровки
13. Балансирный вал
14. Рамка коленвала. Перед установкой проверить наличие в блоке цилиндров центровочных втулок и установку уплотн. кольца в рамке коленвала
15. Уплотнительное кольцо. Замените проверить надежность посадки в рамке коленвала
16. Блок цилиндров
17. Обкатная звездочка
18. Болт, 20 Нм
19. Натяжитель цепи с салазкой для натяжения для снятия зафиксировать фиксатором «Т10060 А»
20. Болт. Заменить. 8 Нм + довернуть на +90°

Комментарии посетителей