Popravak Chevrolet Popravak Toyota Popravak Honda Popravak AvtoVAZ Popravak Mercedes-Benz Popravak BMW Popravak Opel
Glavna  |  Kontakti  |  Mapa stranice  |    
Hrvatski Русский
English
Български
Беларускі
Український
Српски
Română
Polski
Slovenský
Magyar
AudiManual.ru
 
 
 
 
 
 
 
 
 
 
  • AUDI 80
  • AUDI 100
  • AUDI A3
  • AUDI A4
  • AUDI A6
  • AUDI A8
  • AUDI Q
  • OSTALO
  • ČLANCI
B7 (2004-2008) B6 (2000-2006) B6 (2000-2006, benzin) B5 (1994-2001) B5 (1994-2001, benzin)

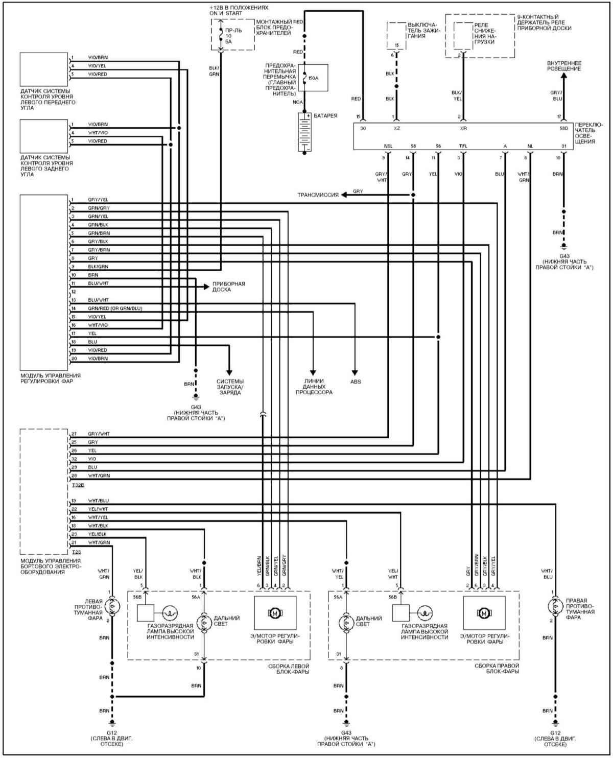
Prednja svjetla sa žaruljama visokog intenziteta (Audi A4 B6)

  • Glavna
  • Audi A4
  • B6 (2000-2006)
  • Električna oprema
  • Električni krugovi
  • Prednja svjetla sa žaruljama visokog intenziteta
            0
Otvori veliku sliku u novom prozoru »
Otvori veliku sliku u novom prozoru »

Oznake za ove i druge električne pogledajte ovdje.
Članak je provjerio auto stručnjak Elisej Ermolajev
Ovaj je članak dostupan na ruski, engleski, bugarski, bjeloruski, ukrajinski, srpski, rumunjski, poljski, slovački, mađarski

Dijeljenje informacija:
Prethodni članci
Audi A4 B6: Električni krugovi
Sljedeći članci

Standardna prednja svjetla
Dodatni sigurnosni sustavi (SRS)
Sustav protiv blokiranja kotača (ABS)
Signali istrošenosti kočionih pločica
Perači farova
Grijanje mlaznica za dovod tekućine za pranje
Klakson
Svjetla za vožnju unatrag, modeli s AT


Slični članci o drugim modelima automobila marke Audi:
Prednja svjetla — poravnanje Audi 80 B3 (1986-1991, benzin)
Prednja svjetla — podešavanje Audi 100 C3 (1982-1990, dizel)
Uklanjanje, postavljanje i podešavanje prekidača kočionog svjetla Audi A3 Typ 8L (1996-2003)
Električni dijagram držača osigurača, prednja svjetla automobila Audi A6 C5 (1997-2004)
Prednja srednja cijev rashladnog sustava dizel motora 3,3 l Audi A8 D2 (1994-2002)
Instrumenti i kontrolna svjetla Audi Q5 Typ 8R (2008-2017)
Prednja svjetla — provjera podešavanja, podešavanje ako je… Audi A2 (1999-2005)
Link na ovu stranicu u različitim formatima


Komentari posjetitelja

Još nema komentara


Koliko će 21 + 12 =
       



A4(B7, 2004-2008) 
  • Opće informacije
  • Uvod u priručnik
  • Rješavanje problema
  • Instrukcija za rad
  • Održavanje
  • Pogonska jedinica
  • Benzinski motori 2.0 (ALT)
  • Benzinski motori 2.0 (TFSI)
  • Benzinski motori 1.8 (MPI)
  • Dizel motori
  • Rashladni sustav
  • Klima uređaj
  • Napajanje i ispušni sustav
  • Sustav paljenja
  • Pokretanje i punjenje
  • Prijenos
  • Spojka
  • Mehanička kutija
  • Automatski mjenjač
  • Pogonske osovine
  • Šasija
  • Kočioni sustav
  • Prednji ovjes
  • Stražnji ovjes
  • Upravljanje
  • Karoserija
  • Eksterijer
  • Interijer
  • Električna oprema
  • Oprema i instrumenti
  • Rasvjeta i alarm
  • Brisači i perači vjetrobrana
  • Električni dijagrami
  • Električni dijagrami (od 2007.)
 
A4(B6, 2000-2006) 
  • Opće informacije
  • Opis vozila
  • Korisnički priručnik
  • Održavanje
  • Pogonska jedinica
  • Benzinski motor
  • Dizelski motor
  • Sustav podmazivanja
  • Sustav hlađenja
  • Sustav opskrbe
  • Sustav ubrizgavanja
  • Ispušni sustav
  • Paljenje i kontrola
  • Prijenos
  • Mjenjač
  • Spojka i poluosovine
  • Šasija
  • Kočioni sustav
  • Ovjes automobila
  • Upravljanja
  • Karoserija
  • Grijanje i ventilacija
  • Eksterijer (vanjski elementi)
  • Interijer (unutarnji elementi)
  • Električna oprema
  • Uređaji za napajanje
  • Rasvjeta i uređaji
  • Električni krugovi
 
A4(B6, 2000-2006, benzin) 
  • Opće informacije
  • Uvod u vodič
  • Njega automobila
  • Pogonska jedinica
  • Popravak motora
  • Sustav podmazivanja
  • Sustav hlađenja
  • Sustav ubrizgavanja i upravljanja
  • Sustav za paljenje
  • Napajanje i ispušni sustav
  • Prijenos
  • Spojka i poluosovine
  • Mjenjačka kutija
  • Šasija
  • Ovjes i kotači
  • Upravljanja
  • Kočioni sustav
  • Karoserija
  • Interijer
  • Eksterijer
  • Električna oprema
  • Oprema i uređaji
  • Rasvjeta i signalizacija
  • Uređaji za napajanje
  • Električni krugovi
 
A4(B5, 1994-2001) 
  • Opće informacije
  • Uvod u vodič
  • Njega automobila
  • Održavanje (benzin)
  • Održavanje (dizel)
  • Pogonska jedinica
  • Benzinski motori
  • Dizel motori
  • Remont motora
  • Sustav hlađenja
  • Ubrizgavanje goriva (benzin)
  • Sustav goriva (dizel)
  • Ispušni sustav
  • Sustav za paljenje
  • Prijenos
  • Kvačilo
  • Mehanička kutija
  • Automatska kutija
  • Pogonske osovine
  • Šasija
  • Kočioni sustav
  • Ovjes automobila
  • Upravljanja
  • Karoserija
  • Eksterijer
  • Interijer
  • Vrata, brave i prozori
  • Grijanje i ventilacija
  • Električna oprema
  • Uređaji za napajanje
  • Oprema i uređaji
  • Električni krugovi
 
A4(B5, 1994-2001, benzin) 
  • Opće informacije
  • Opis vozila
  • Održavanje
  • Pogonska jedinica
  • Popravak motora
  • Turbo punjenje
  • Ispušni sustav
  • Sustav hlađenja
  • Sustav za paljenje
  • Sustav goriva
  • Motronic sustav ubrizgavanja
  • MPI i MPFI sustav ubrizgavanja
  • Prijenos
  • Kvačilo
  • Mjenjač i osovine
  • Šasija
  • Upravljanja
  • Ovjes automobila
  • Kočioni sustav
  • Kotači i gume
  • Karoserija
  • Grijanje i ventilacija
  • Dijelovi tijela
  • Električna oprema
  • Osigurači i releji
  • Uređaji za napajanje
  • Rasvjeta i lampe
  • Alati i uređaji
  • Električni krugovi
 
AudiManual.ru © 2017-2026 · Mobilna verzija · Povratne informacije · Mapa stranice: EN BG BY UA RS HR RO PL SK HU · Pretraživanje stranice · Vijesti i članci
80 B2 · 80 B3 benzin · 80 B3 · 80 B4 · 100 C3 dizel · 100 C3 benzin · 100 C3 · 100 C4 benzin · 100 C4 · A3 Typ 8L · A4 B5 benzin · A4 B5 · A4 B6 benzin · A4 B6 · A4 B7 · A6 C4 · A6 C5 · A6 C5 Allroad · A8 D2 · Q5 Typ 8R · Audi A2 · 0.046
Ova stranica koristi kolačiće 🍪. Kliknite gumb da biste prihvatili tu činjenicu.