Popravak Chevrolet Popravak Toyota Popravak Honda Popravak AvtoVAZ Popravak Mercedes-Benz Popravak BMW Popravak Opel
Glavna  |  Kontakti  |  Mapa stranice  |    
Hrvatski Русский
English
Български
Беларускі
Український
Српски
Română
Polski
Slovenský
Magyar
AudiManual.ru
 
 
 
 
 
 
 
 
 
 
  • AUDI 80
  • AUDI 100
  • AUDI A3
  • AUDI A4
  • AUDI A6
  • AUDI A8
  • AUDI Q
  • OSTALO
  • ČLANCI
B8 (2007-2015) B7 (2004-2008) B6 (2000-2006) B6 (2000-2006, benzin) B5 (1994-2001) B5 (1994-2001, benzin)

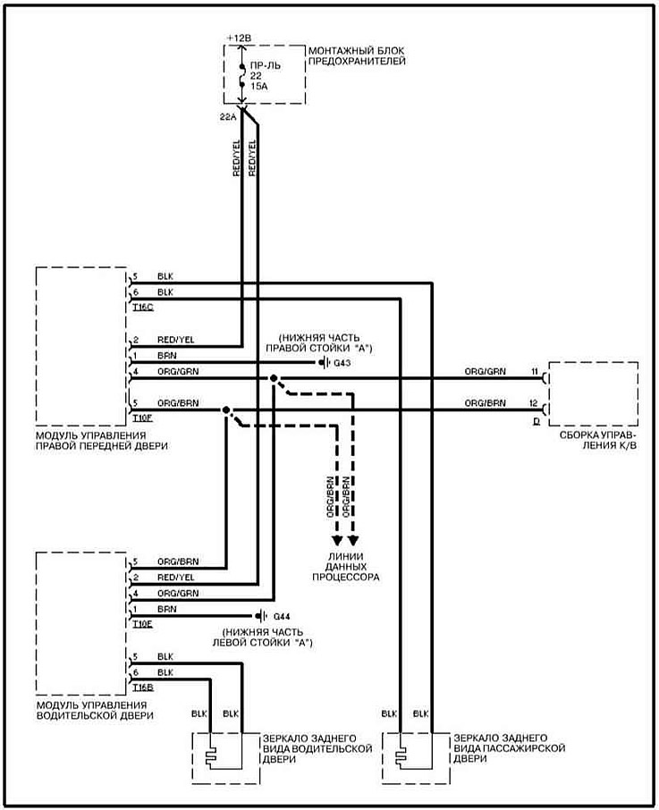
Retrovizori na vratima s električnim grijanjem (Audi A4 B6)

  • Glavna
  • Audi A4
  • B6 (2000-2006)
  • Električna oprema
  • Električni krugovi
  • Retrovizori na vratima s električnim grijanjem
            0
Retrovizori na vratima s električnim grijanjem

Oznake za ove i druge električne pogledajte ovdje.
Članak je provjerio auto stručnjak Elisej Ermolajev
Ovaj je članak dostupan na ruski, engleski, bugarski, bjeloruski, ukrajinski, srpski, rumunjski, poljski, slovački, mađarski

Dijeljenje informacija:
Prethodni članci
Audi A4 B6: Električni krugovi
Sljedeći članci

Električna sjedala
Grijana sjedala
Osvjetljenje instrumenata
Nadzorna ploča
Sustav memorije sjedala/retrovizora
Električni retrovizori, modeli sa sklopivim retrovizorima
Električni retrovizori, modeli bez preklopnih retrovizora
Unutarnji retrovizor s automatskim prebacivanjem između dnevnog…


Slični članci o drugim modelima automobila marke Audi:
Vjetrobransko, stražnje staklo i staklo na stražnjim vratima —… Audi 80 B3 (1986-1991, benzin)
Retrovizori Audi 100 C3 (1982-1990, dizel)
Električni podizači stakala i retrovizori Audi A3 Typ 8L (1996-2003)
Retrovizori Audi A6 C5 (1997-2004)
Podizač stakala na prednjim vratima Audi A8 D2 (1994-2002)
Motor za podizanje prozora, podizanje prozora na prednjim vratima Audi Q5 Typ 8R (2008-2017)
Uklanjanje i postavljanje podizača prozora i stakla na vratima Audi A2 (1999-2005)
Link na ovu stranicu u različitim formatima


Komentari posjetitelja

Još nema komentara


Koliko će 25 + 22 =
       



A4(B8, 2007-2015) 
  • Opće informacije
  • Instrukcija za uporabu
  • Pogonska jedinica
  • Benzinski motori 1.8 l
  • Benzinski motori 1.8/2.0 l
  • Benzinski motori 3.0 l
  • Benzinski motori 3.2 l
  • Sustav goriva (benzin)
  • Dizelski motori 2.0 l (CA*)
  • Dizelski motori 2.0 l (CJCB)
  • Dizelski motori 2.7/3.0 l
  • Dizelski motori 3.0 l
  • Sustav goriva (dizel)
  • Mjenjačka kutija
  • Ručni mjenjač 0B1
  • Ručni mjenjač 0B2
  • Ručni mjenjač 0B3
  • Ručni mjenjač 0B4
  • Automatski mjenjač 0B5
  • Automatski mjenjač 0B6
  • Automatski mjenjač 0AW
  • Pogon na sva četiri kotača
  • Šasija
  • Prednji ovjes
  • Stražnji ovjes
  • Kočioni sustav
  • Sustav upravljanja
  • Karoserija
  • Eksterijer
  • Unutrašnjost
  • Sjedala
  • Vrata, brave i prozori
  • Sigurnosni sustav
  • Grijanje i klimatizacija
  • Električna oprema
  • Audio sustav
  • Uređaji za napajanje
  • Oprema i uređaji
  • Rasvjeta i lampe
  • Električne sheme
 
A4(B7, 2004-2008) 
  • Opće informacije
  • Uvod u priručnik
  • Rješavanje problema
  • Instrukcija za rad
  • Održavanje
  • Pogonska jedinica
  • Benzinski motori 2.0 (ALT)
  • Benzinski motori 2.0 (TFSI)
  • Benzinski motori 1.8 (MPI)
  • Dizel motori
  • Rashladni sustav
  • Klima uređaj
  • Napajanje i ispušni sustav
  • Sustav paljenja
  • Pokretanje i punjenje
  • Prijenos
  • Spojka
  • Mehanička kutija
  • Automatski mjenjač
  • Pogonske osovine
  • Šasija
  • Kočioni sustav
  • Prednji ovjes
  • Stražnji ovjes
  • Upravljanje
  • Karoserija
  • Eksterijer
  • Interijer
  • Električna oprema
  • Oprema i instrumenti
  • Rasvjeta i alarm
  • Brisači i perači vjetrobrana
  • Električni dijagrami
  • Električni dijagrami (od 2007.)
 
A4(B6, 2000-2006) 
  • Opće informacije
  • Opis vozila
  • Korisnički priručnik
  • Održavanje
  • Pogonska jedinica
  • Benzinski motor
  • Dizelski motor
  • Sustav podmazivanja
  • Sustav hlađenja
  • Sustav opskrbe
  • Sustav ubrizgavanja
  • Ispušni sustav
  • Paljenje i kontrola
  • Prijenos
  • Mjenjač
  • Spojka i poluosovine
  • Šasija
  • Kočioni sustav
  • Ovjes automobila
  • Upravljanja
  • Karoserija
  • Grijanje i ventilacija
  • Eksterijer (vanjski elementi)
  • Interijer (unutarnji elementi)
  • Električna oprema
  • Uređaji za napajanje
  • Rasvjeta i uređaji
  • Električni krugovi
 
A4(B6, 2000-2006, benzin) 
  • Opće informacije
  • Uvod u vodič
  • Njega automobila
  • Pogonska jedinica
  • Popravak motora
  • Sustav podmazivanja
  • Sustav hlađenja
  • Sustav ubrizgavanja i upravljanja
  • Sustav za paljenje
  • Napajanje i ispušni sustav
  • Prijenos
  • Spojka i poluosovine
  • Mjenjačka kutija
  • Šasija
  • Ovjes i kotači
  • Upravljanja
  • Kočioni sustav
  • Karoserija
  • Interijer
  • Eksterijer
  • Električna oprema
  • Oprema i uređaji
  • Rasvjeta i signalizacija
  • Uređaji za napajanje
  • Električni krugovi
 
A4(B5, 1994-2001) 
  • Opće informacije
  • Uvod u vodič
  • Njega automobila
  • Održavanje (benzin)
  • Održavanje (dizel)
  • Pogonska jedinica
  • Benzinski motori
  • Dizel motori
  • Remont motora
  • Sustav hlađenja
  • Ubrizgavanje goriva (benzin)
  • Sustav goriva (dizel)
  • Ispušni sustav
  • Sustav za paljenje
  • Prijenos
  • Kvačilo
  • Mehanička kutija
  • Automatska kutija
  • Pogonske osovine
  • Šasija
  • Kočioni sustav
  • Ovjes automobila
  • Upravljanja
  • Karoserija
  • Eksterijer
  • Interijer
  • Vrata, brave i prozori
  • Grijanje i ventilacija
  • Električna oprema
  • Uređaji za napajanje
  • Oprema i uređaji
  • Električni krugovi
 
A4(B5, 1994-2001, benzin) 
  • Opće informacije
  • Opis vozila
  • Održavanje
  • Pogonska jedinica
  • Popravak motora
  • Turbo punjenje
  • Ispušni sustav
  • Sustav hlađenja
  • Sustav za paljenje
  • Sustav goriva
  • Motronic sustav ubrizgavanja
  • MPI i MPFI sustav ubrizgavanja
  • Prijenos
  • Kvačilo
  • Mjenjač i osovine
  • Šasija
  • Upravljanja
  • Ovjes automobila
  • Kočioni sustav
  • Kotači i gume
  • Karoserija
  • Grijanje i ventilacija
  • Dijelovi tijela
  • Električna oprema
  • Osigurači i releji
  • Uređaji za napajanje
  • Rasvjeta i lampe
  • Alati i uređaji
  • Električni krugovi
 
AudiManual.ru © 2017-2026 · Mobilna verzija · Povratne informacije · Mapa stranice: EN BG BY UA RS HR RO PL SK HU · Pretraživanje stranice · Vijesti i članci
80 B2 · 80 B3 benzin · 80 B3 · 80 B4 · 100 C3 dizel · 100 C3 benzin · 100 C3 · 100 C4 benzin · 100 C4 · A3 Typ 8L · A4 B5 benzin · A4 B5 · A4 B6 benzin · A4 B6 · A4 B7 · A4 B8 · A6 C4 · A6 C5 · A6 C5 Allroad · A8 D2 · Q5 Typ 8R · Audi A2 · 0.039
Ova stranica koristi kolačiće 🍪. Kliknite gumb da biste prihvatili tu činjenicu.