Ремонт Chevrolet Ремонт Toyota Ремонт Honda Ремонт AvtoVAZ Ремонт Mercedes-Benz Ремонт BMW Ремонт Opel
Главная  |  Контакты  |  Карта сайта  |  Поиск:  
Русский English
Български
Беларускі
Український
Српски
Hrvatski
Română
Polski
Slovenský
Magyar
AudiManual.ru
 
 
 
 
 
 
 
 
 
 
  • AUDI 80
  • AUDI 100
  • AUDI A3
  • AUDI A4
  • AUDI A6
  • AUDI A8
  • AUDI Q
  • ПРОЧИЕ
  • СТАТЬИ
С4 (1990-1994) С4 (1990-1994, бензин) С3 (1982-1990) С3 (1982-1990, бензин) С3 (1982-1990, дизель)

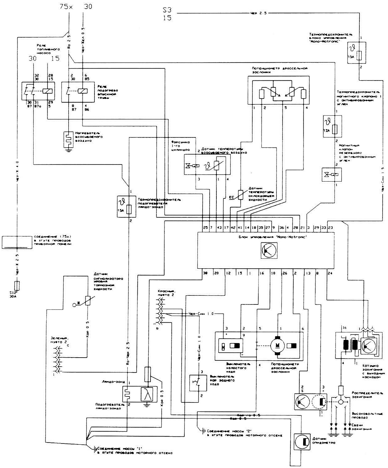
Блок управления для системы «Mono-Motronic» (Audi 100 С4)

  • Главная
  • Ауди 100
  • С4 (1990-1994)
  • Электрооборудование
  • Электрические схемы
  • Блок управления для системы «Mono-Motronic»
            0
Блок управления для системы «Mono-Motronic»:
Открыть большую картинку в новом окне »
Открыть большую картинку в новом окне »


Первоначальный текст материала можно найти на сайте: audimanual
Статью проверил автоэксперт Георгий Родионов
Эта статья доступна на английском, болгарском, белорусском, украинском, сербском, хорватском, румынском, польском, словацком, венгерском

Поделитесь информацией:
Предыдущие статьи
Ауди 100 С4: Электрические схемы
Следующие статьи

Система управления «KE-Motronic»
Электросхема переключателя света
Электросхема стеклоочистителя
Охлаждение двигателя, регулятор вентилятора
Приборная панель и система автоконтроля. Исполнение I
Приборная панель и система автоконтроля. Исполнение II
Наружные световые приборы, датчики износа тормозных колодок...
Разъемы на приборной панели, замок зажигания


Похожие статьи других моделей автомобилей Ауди:
Электросхема топливного насоса, системы впрыска топлива, блока… Audi 80 Б4 (1991-1996)
Прибор управления для Motronic, реле топливного насоса,… Audi A3 Typ 8L (1996-2003)
Компоненты системы управления впрыском топлива Bosch Motronic Audi A4 Б5 (1994-2001)
Схема 2-8. Блок управления двигателем, реле воздушного насоса… Audi A6 С5 Allroad (1999-2005)
Работа системы управления двигателем Audi A8 Д2 (1994-2002)
Клавиша системы санкционирования доступа и пуска двигателя,… Audi Q5 Typ 8R (2008-2017)
Блок управления двигателя — проверка Audi А2 (1999-2005)
Ссылка на эту страницу в разных форматах
HTMLTextBB Code


Комментарии посетителей


Нет еще комментариев


Сколько будет 36 + 16 =
       




100(C4, 1990-1994) 
  • Общая информация
  • Инструкция по эксплуатации
  • Силовой агрегат
  • Ремонт двигателя
  • Система зажигания
  • Топливная система (бензин)
  • Топливная система (дизель)
  • Система смазки
  • Система охлаждения
  • Система выпуска
  • Трансмиссия
  • Сцепление
  • Коробка передач
  • Приводные валы
  • Шасси
  • Подвеска автомобиля
  • Рулевое управление
  • Колеса и шины
  • Тормозная система
  • Кузов
  • Вентиляция и отопление
  • Ремонт кузова
  • Электрооборудование
  • Силовые устройства
  • Освещение и приборы
  • Электрические схемы
 
100(C4, 1990-1994, бензин) 
  • Общая информация
  • Эксплуатация и техобслуживание
  • Силовой агрегат
  • Ремонт двигателя
  • Система выхлопа
  • Система охлаждения
  • Система питания
  • Воздушный фильтр
  • Система впрыска Mono-Motronic
  • Система впрыска Digifant
  • Впрыск КЕ-III-Jetronic и KE-Motronic
  • Система впрыска MPI и MPFI
  • Трансмиссия
  • Сцепление
  • Коробка передач
  • Шасси
  • Подвеска и рулевое управление
  • Тормозная система
  • Колеса и шины
  • Кузов
  • Экстерьер
  • Интерьер
  • Электрооборудование
  • Предохранители и реле
  • Силовые устройства
  • Система зажигания
  • Освещение и сигнализация
  • Оборудование и приборы
  • Электрические схемы
 
100(C3, 1982-1990) 
  • Общая информация
  • Инструкция по эксплуатации
  • Техническое обслуживание
  • Технические характеристики
  • Силовой агрегат
  • Двигатели 4-цилиндровые
  • Двигатели 5-цилиндровые
  • Дизельный двигатель
  • Система охлаждения
  • Система питания (карбюратор)
  • Система питания (инжектор)
  • Система питания (дизель)
  • Транзисторная система зажигания
  • Электронная система зажигания
  • Трансмиссия
  • Сцепление
  • 4-ступенчатая коробка 014
  • 5-ступенчатая коробка 013 и 093
  • 5-ступенчатая коробка 016 и 012
  • Механизм переключения КП 016
  • Автоматическая коробка передач
  • Привод передних колес
  • Шасси
  • Передняя подвеска
  • Задняя подвеска
  • Рулевое управление
  • Тормозная система
  • Кузов
  • Элементы кузова
  • Электрооборудование
  • Освещение и приборы
  • Силовые устройства
  • Электрические схемы
 
100(C3, 1982-1990, бензин) 
  • Общая информация
  • Техобслуживание и эксплуатация
  • 4-цилиндровый двигатель
  • Ремонт двигателя
  • Система охлаждения и смазки
  • Система питания
  • Система зажигания
  • 5-цилиндровый двигатель
  • Ремонт двигателя
  • Система охлаждения и смазки
  • Система питания
  • Система зажигания
  • Трансмиссия
  • Сцепление и приводные валы
  • 4-ступенчатая коробка 014
  • 5-ступенчатая коробка 013 и 093
  • 5-ступенчатая коробка 016 и 012
  • Автоматическая коробка
  • Шасси
  • Рулевое управление
  • Передняя подвеска
  • Задняя подвеска
  • Тормозная система
  • Кузов
  • Элементы кузова
  • Двери, замки и окна
  • Кузовной ремонт
  • Электрооборудование
  • Оборудование и приборы
  • Силовые устройства
  • Электрические схемы
 
100(C3, 1982-1990, дизель) 
  • Общая информация
  • Инструкция по эксплуатации
  • Техническое обслуживание
  • Выявление неисправностей
  • Силовой агрегат
  • Двигатель в автомобиле
  • Двигатель снят
  • Система охлаждения
  • Топливная система
  • Выхлопная система
  • Запуск и зарядка
  • Предпусковой подогрев
  • Трансмиссия
  • Сцепление
  • Механическая коробка
  • Автоматическая коробка
  • Приводные валы
  • Шасси
  • Тормозная система
  • Подвеска
  • Рулевое управление
  • Кузов
  • Экстерьер
  • Интерьер
  • Электрооборудование
  • Оборудование и приборы
  • Электрические схемы
 
Анекдот про автомобили:
хочу ещё один
 
AudiManual.ru © 2017-2025 · Мобильная версия · Обратная связь · Карта сайта: EN BG BY UA RS HR RO PL SK HU · Поиск по сайту · Новости и статьи
80 Б2 · 80 Б3 бензин · 80 Б3 · 80 Б4 · 100 С3 дизель · 100 С3 бензин · 100 С3 · 100 С4 бензин · 100 С4 · A3 Typ 8L · A4 Б5 бензин · A4 Б5 · A4 Б6 бензин · A4 Б6 · A4 Б7 · A4 Б8 · A6 С4 · A6 С5 · A6 С5 Allroad · A8 Д2 · Q5 Typ 8R · Audi А2 · Автомобильные новости · Устройство и ремонт авто · Продлеваем жизнь авто · Регулировка карбюраторов · Зарядные устройства · Автомобильная электроника 0.079