Ремонт Chevrolet Ремонт Toyota Ремонт Honda Ремонт AvtoVAZ Ремонт Mercedes-Benz Ремонт BMW Ремонт Opel
Главная  |  Контакты  |  Карта сайта  |    
Русский English
Български
Беларускі
Український
Српски
Hrvatski
Română
Polski
Slovenský
Magyar
AudiManual.ru
 
 
 
 
 
 
 
 
 
 
  • AUDI 80
  • AUDI 100
  • AUDI A3
  • AUDI A4
  • AUDI A6
  • AUDI A8
  • AUDI Q
  • ПРОЧИЕ
  • СТАТЬИ
С4 (1990-1994) С4 (1990-1994, бензин) С3 (1982-1990) С3 (1982-1990, бензин) С3 (1982-1990, дизель)

Выключатель аварийной световой сигнализации, выключатель указателей поворота... (Audi 100 C4)

  • Главная
  • Ауди 100
  • С4 (1990-1994, бензин)
  • Электрооборудование
  • Электрические схемы
  • Выключатель аварийной световой сигнализации, выключатель указателей поворота...
            0
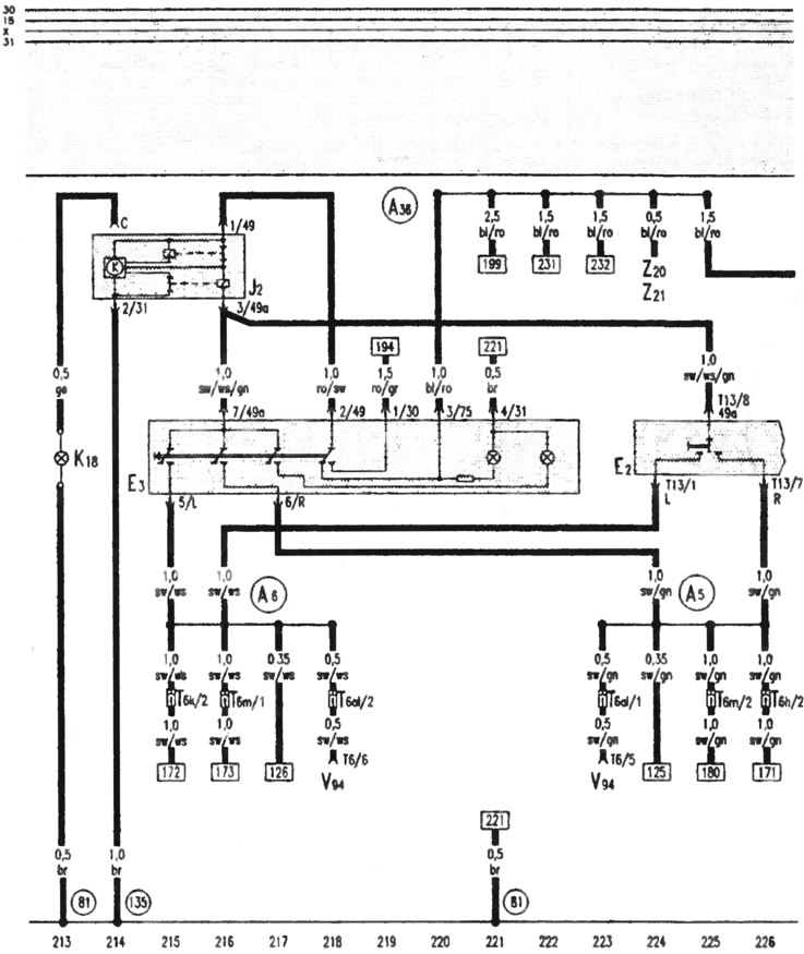
Выключатель аварийной световой сигнализации, выключатель указателей поворота, реле аварийной световой сигнализации (Audi-100 2,8-литровый 6-цилиндровый двигатель (128 кВт)).

Выключатель аварийной световой сигнализации, выключатель указателей поворота, реле аварийной…

Выключатель аварийной световой сигнализации, выключатель указателей поворота, реле аварийной…

[Ознакомьтесь с первоисточником на сайте «AudiManual»]
Статью проверил автоэксперт Никита Рудаков
Эта статья доступна на английском, болгарском, белорусском, украинском, сербском, хорватском, румынском, польском, словацком, венгерском

Поделитесь информацией:
Предыдущие статьи
Ауди 100 С4: Электрические схемы
Следующие статьи

Отсек предохранителей, звуковой сигнал
Отсек предохранителей выключатель тормозных огней
Задние габаритные огни справа, отсек предохранителей, прибор…
Предохранительный выключатель, фары, стояночный свет, фары…
Выключатель стеклоочистителей с прерывистым включением, система…
Обогреваемое заднее стекло
Дверной концевой выключатель освещения освещение места для ног,…
Прикуриватель сигарет впереди и сзади, предупредительный зуммер…


Похожие статьи других моделей автомобилей Ауди:
Схема электрических соединений указателей поворота и аварийной… Audi 80 Б3 (1986-1991, бензин)
Выключатель прикуривателя, разгрузочное реле для контакта X Audi A3 Typ 8L (1996-2003)
Выключатель аварийной сигнализации, выключатель указателей… Audi A4 Б5 (1994-2001, бензин)
Схема 4-6. Выключатель аварийной световой сигнализации Audi A6 С5 Allroad (1999-2005)
Выключатель обогревателя заднего сиденья Audi A8 Д2 (1994-2002)
Переключатель освещения, клавиша включения аварийной световой… Audi Q5 Typ 8R (2008-2017)
Снятие подстаканника и выключателя аварийной световой… Audi А2 (1999-2005)
Ссылка на эту страницу в разных форматах


Комментарии посетителей

Нет еще комментариев


Сколько будет 13 + 21 =
       




100(C4, 1990-1994) 
  • Общая информация
  • Инструкция по эксплуатации
  • Силовой агрегат
  • Ремонт двигателя
  • Система зажигания
  • Топливная система (бензин)
  • Топливная система (дизель)
  • Система смазки
  • Система охлаждения
  • Система выпуска
  • Трансмиссия
  • Сцепление
  • Коробка передач
  • Приводные валы
  • Шасси
  • Подвеска автомобиля
  • Рулевое управление
  • Колеса и шины
  • Тормозная система
  • Кузов
  • Вентиляция и отопление
  • Ремонт кузова
  • Электрооборудование
  • Силовые устройства
  • Освещение и приборы
  • Электрические схемы
 
100(C4, 1990-1994, бензин) 
  • Общая информация
  • Эксплуатация и техобслуживание
  • Силовой агрегат
  • Ремонт двигателя
  • Система выхлопа
  • Система охлаждения
  • Система питания
  • Воздушный фильтр
  • Система впрыска Mono-Motronic
  • Система впрыска Digifant
  • Впрыск КЕ-III-Jetronic и KE-Motronic
  • Система впрыска MPI и MPFI
  • Трансмиссия
  • Сцепление
  • Коробка передач
  • Шасси
  • Подвеска и рулевое управление
  • Тормозная система
  • Колеса и шины
  • Кузов
  • Экстерьер
  • Интерьер
  • Электрооборудование
  • Предохранители и реле
  • Силовые устройства
  • Система зажигания
  • Освещение и сигнализация
  • Оборудование и приборы
  • Электрические схемы
 
100(C3, 1982-1990) 
  • Общая информация
  • Инструкция по эксплуатации
  • Техническое обслуживание
  • Технические характеристики
  • Силовой агрегат
  • Двигатели 4-цилиндровые
  • Двигатели 5-цилиндровые
  • Дизельный двигатель
  • Система охлаждения
  • Система питания (карбюратор)
  • Система питания (инжектор)
  • Система питания (дизель)
  • Транзисторная система зажигания
  • Электронная система зажигания
  • Трансмиссия
  • Сцепление
  • 4-ступенчатая коробка 014
  • 5-ступенчатая коробка 013 и 093
  • 5-ступенчатая коробка 016 и 012
  • Механизм переключения КП 016
  • Автоматическая коробка передач
  • Привод передних колес
  • Шасси
  • Передняя подвеска
  • Задняя подвеска
  • Рулевое управление
  • Тормозная система
  • Кузов
  • Элементы кузова
  • Электрооборудование
  • Освещение и приборы
  • Силовые устройства
  • Электрические схемы
 
100(C3, 1982-1990, бензин) 
  • Общая информация
  • Техобслуживание и эксплуатация
  • 4-цилиндровый двигатель
  • Ремонт двигателя
  • Система охлаждения и смазки
  • Система питания
  • Система зажигания
  • 5-цилиндровый двигатель
  • Ремонт двигателя
  • Система охлаждения и смазки
  • Система питания
  • Система зажигания
  • Трансмиссия
  • Сцепление и приводные валы
  • 4-ступенчатая коробка 014
  • 5-ступенчатая коробка 013 и 093
  • 5-ступенчатая коробка 016 и 012
  • Автоматическая коробка
  • Шасси
  • Рулевое управление
  • Передняя подвеска
  • Задняя подвеска
  • Тормозная система
  • Кузов
  • Элементы кузова
  • Двери, замки и окна
  • Кузовной ремонт
  • Электрооборудование
  • Оборудование и приборы
  • Силовые устройства
  • Электрические схемы
 
100(C3, 1982-1990, дизель) 
  • Общая информация
  • Инструкция по эксплуатации
  • Техническое обслуживание
  • Выявление неисправностей
  • Силовой агрегат
  • Двигатель в автомобиле
  • Двигатель снят
  • Система охлаждения
  • Топливная система
  • Выхлопная система
  • Запуск и зарядка
  • Предпусковой подогрев
  • Трансмиссия
  • Сцепление
  • Механическая коробка
  • Автоматическая коробка
  • Приводные валы
  • Шасси
  • Тормозная система
  • Подвеска
  • Рулевое управление
  • Кузов
  • Экстерьер
  • Интерьер
  • Электрооборудование
  • Оборудование и приборы
  • Электрические схемы
 
Анекдот про автомобили:
хочу ещё один
 
AudiManual.ru © 2017-2026 · Мобильная версия · Обратная связь · Карта сайта: EN BG BY UA RS HR RO PL SK HU · Поиск по сайту · Новости и статьи
80 Б2 · 80 Б3 бензин · 80 Б3 · 80 Б4 · 100 С3 дизель · 100 С3 бензин · 100 С3 · 100 С4 бензин · 100 С4 · A3 Typ 8L · A4 Б5 бензин · A4 Б5 · A4 Б6 бензин · A4 Б6 · A4 Б7 · A4 Б8 · A6 С4 · A6 С5 · A6 С5 Allroad · A8 Д2 · Q5 Typ 8R · Audi А2 · Автомобильные новости · Устройство и ремонт авто · Продлеваем жизнь авто · Регулировка карбюраторов · Зарядные устройства · Автомобильная электроника 0.011
Этот сайт использует куки 🍪. Нажмите кнопку для принятия этого факта.