Снятие
Инструкция. Снятие и установка возвратного кольца с контактным кольцом должно производиться в среднем положении (колеса в положении для прямолинейного движения). Возвратное кольцо с контактным кольцом, как новая запчасть, зафиксировано в среднем положении с помощью пластикового хомута или срезаемого кольца.
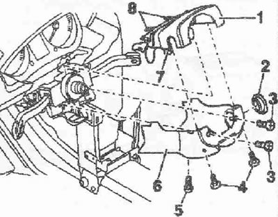
Регулируемую рулевую колонку переставить полностью вниз и вытащить до упора. Модуль Airbag водителя и рулевое колесо сняты.

Открутить болт «4» (2 шт.). Момент затяжки 0,6 Нм. Снять вверх облицовку выключателя на рулевой колонке «1» и разблокировать сзади у зажимов «8».
Установка
При установке верхний вкладыш необходимо ввести крючки «7» верхнего вкладыша в нижний вкладыш, повернуть вниз и прикрутить винтами. Открутить болт «3» (2 шт.) (момент затяжки 4,5 Нм). Выкрутить болт с внутренним шестигранником «5» (момент затяжки 5 Нм). Открыть деблокирующий рычаг для изменения положения рулевого колеса. Снять нижнюю обивку подрулевого переключателя «3».
Наконечник замка зажигания

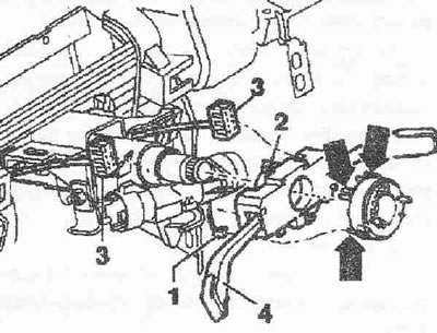
Разъединить штекерный разъем. Разблокировать защелку «стрелка» и снять возвратное кольцо с контактным кольцом с подрулевого переключателя. Снятие и установку узла контактного кольца необходимо проводить в среднем положении рулевого колеса (передние колеса находятся в положении, соответствующем прямолинейному движению). Возвратное кольцо с контактным кольцом, как новая запчасть, зафиксировано в среднем положении с помощью пластикового хомута или срезаемого кольца. У а/м с датчиком ESP в возвратном кольце с контактным кольцом необходимо выровнять датчик ESP.

Комментарии посетителей