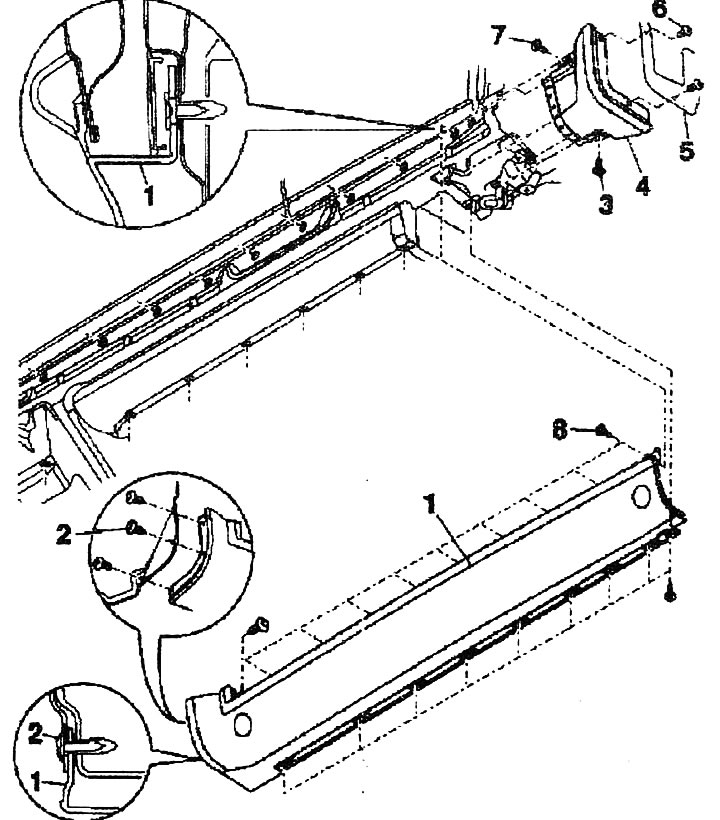
1. Облицовка порога. Снять переднюю и заднюю крышки облицовки порога. Отвернуть болты переднего подкрылка. Отвернуть болты, а также болты заднего подкрылка. Снять колпачок по направлению назад. Отвернуть болты и снять облицовку порога со швеллера
2. Саморез, 1,5 Нм
3. Болт с буртиком, 1,5 Нм
4. Колпачок. Снять заднюю крышку облицовки порога. Отвернуть болты и снять колпачок по направлению назад
5. Подкрылок
6/7. Болт с буртиком, 1,5 Нм
8. Болт с буртиком (18 шт.)

Комментарии посетителей