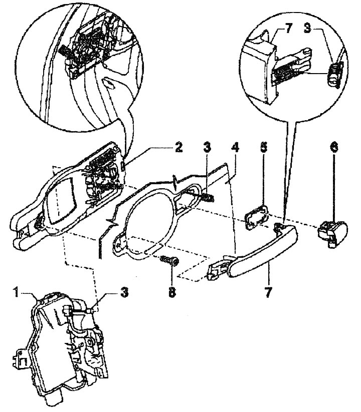
1. Замок двери. Перед снятием демонтировать кронштейн встроенных деталей двери
2. Крепление ручки двери. Перед снятием демонтировать ручку двери. Для снятия вывернуть болт, отклонить крепление вниз от фиксатора и снять крепление по направлению вовнутрь
3. Тросовый привод. Может быть закреплен в ручке двери только при исходном положении рычага замка двери
4. Задняя дверь
5. Прокладка
6. Корпус. Снятие производится идентично личинке замка передней двери
7. Ручка двери. Перед снятием демонтировать корпус. Отсоединить тросовый привод, освободить ручку от фиксатора и снять по направлению наружу
8. Крепежный болт, 4,5 Нм

Комментарии посетителей