Рамонт Chevrolet Рамонт Toyota Рамонт Honda Рамонт AvtoVAZ Рамонт Mercedes-Benz Рамонт BMW Рамонт Opel
Галоўная  |  Кантакты  |  Мапа сайту  |  Пошук:  
Беларускі Русский
English
Български
Український
Српски
Hrvatski
Română
Polski
Slovenský
Magyar
AudiManual.ru
 
 
 
 
 
 
 
 
 
 
  • AUDI 80
  • AUDI 100
  • AUDI A3
  • AUDI A4
  • AUDI A6
  • AUDI A8
  • AUDI Q
  • ІНШЫЯ
  • АРТЫКУЛЫ
Б7 (2004-2008) Б6 (2000-2006) Б6 (2000-2006, бензін) Б5 (1994-2001) Б5 (1994-2001, бензін)

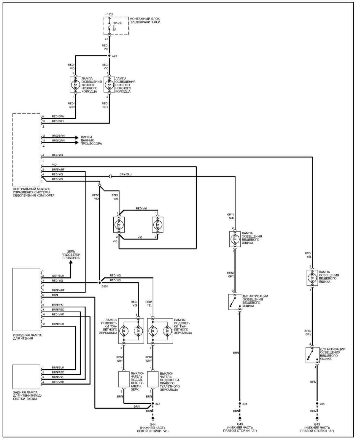
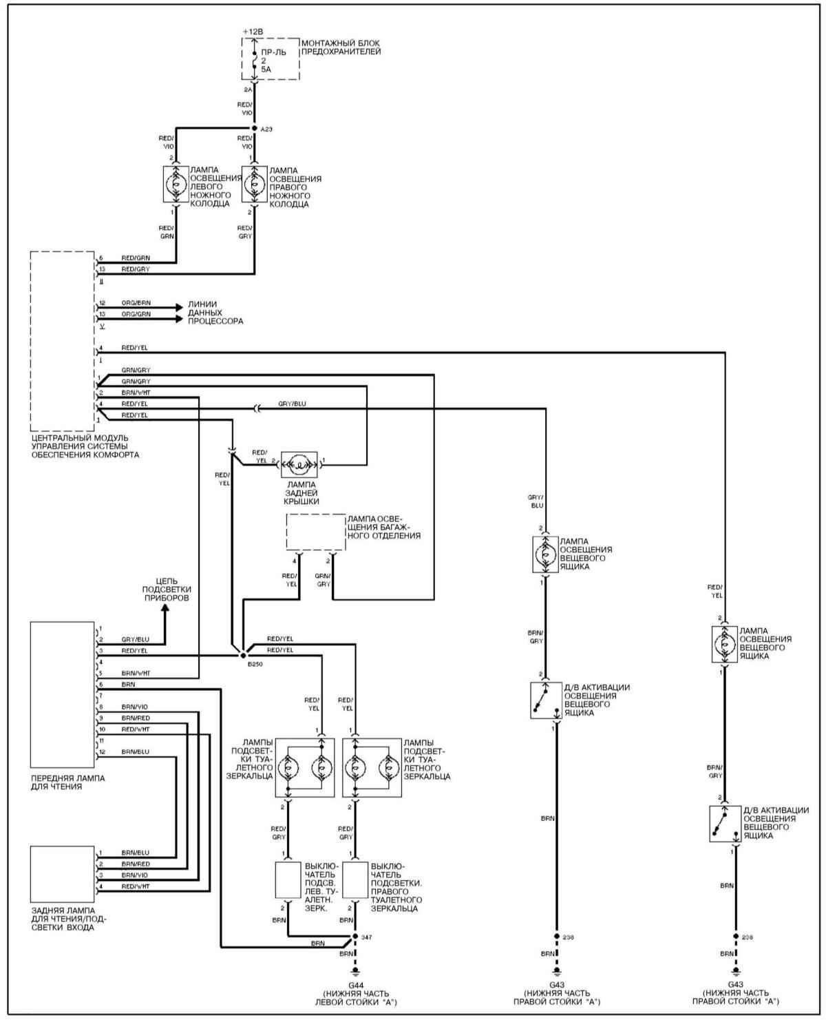
Асвятленне салона пры адчыненні дзвярэй (Audi A4 Б6)

  • Галоўная
  • Аўдзі A4
  • Б6 (2000-2006)
  • Электраабсталяванне
  • Электрычныя схемы
  • Асвятленне салона пры адчыненні дзвярэй
            0

Адкрыць вялікую карцінку ў новым акне »



Адкрыць вялікую карцінку ў новым акне »



Адкрыць вялікую карцінку ў новым акне »

Абазначэнні да гэтых і іншых электрычных глядзіце тут.
Артыкул праверыў аўтаэксперт Аляксей Іваноў
Гэты артыкул даступны на рускай, англійскай, балгарскай, украінскай, сербскай, харвацкай, румынскай, польскай, славацкай, венгерскай

Падзяліцеся інфармацыяй:
Папярэднія артыкулы
Audi А4 Б6: Электрычныя схемы
Наступныя артыкулы

Агні задняга ходу, мадэлі з РКПП
Агні задняга ходу, мадэлі з АТ
Клаксан
Абаграванне соплаў падачы омывающей вадкасці
Фараамывальнікі
Прыборная дошка
Падсветка прыбораў
Абаграванне сядзенняў
Электрапрывад сядзенняў
Электраабаграванне дзвярных люстэркаў задняга выгляду


Падобныя артыкулы іншых мадэляў аўтамабіляў Аўдзі:
Асвятленне салона, выключальнікі кантактаў дзвярэй Audi 80 Б3 (1986-1991)
Плафон асвятлення салона, выключальнікі плафона ў стойках дзвярэй (рухавік DR) Audi 100 С3 (1982-1990, бензін)
Асвятленне салона і багажніка Audi A3 Typ 8L (1996-2003)
Асвятленне салона Audi A6 С5 (1997-2004)
Шарніры дзвярэй Audi A8 Д2 (1994-2002)
Асвятленне салона Audi Q5 Typ 8R (2008-2017)
Фіксатар дзвярэй і лічынка замка — змазка Audi А2 (1999-2005)
Спасылка на гэтую старонку ў розных фарматах
HTMLTextBB Code


Каментары наведвальнікаў


Няма яшчэ каментароў


Колькі будзе 25 + 20 =
       



A4(B7, 2004-2008) 
  • Агульная інфармацыя
  • Увядзенне ў кіраўніцтва
  • Выяўленне няспраўнасцяў
  • Інструкцыя па эксплуатацыі
  • Тэхнічнае абслугоўванне
  • Сілавы агрэгат
  • Бензінавыя рухавікі 2.0 (ALT)
  • Бензінавыя рухавікі 2.0 (TFSI)
  • Бензінавыя рухавікі 1.8 (MPI)
  • Дызельныя рухавікі
  • Сістэма астуджэння
  • Кандыцыянер паветра
  • Сістэма харчавання і выхлапу
  • Сістэма запальвання
  • Запуск і зарадка
  • Трансмісія
  • Счапленне
  • Механічная скрынка
  • Аўтаматычная скрынка
  • Прывадныя валы
  • Шасі
  • Тармазная сістэма
  • Пярэдняя падвеска
  • Задняя падвеска
  • Рулявое кіраванне
  • Кузаў
  • Экстэр'ер
  • Інтэр'ер
  • Электраабсталяванне
  • Абсталяванне і прыборы
  • Асвятленне і сігналізацыя
  • Шклоачышчальнікі і абмывальнікі
  • Электрычныя схемы
  • Электрычныя схемы (з 2007 г.)
 
A4(B6, 2000-2006) 
  • Агульная інфармацыя
  • Апісанне аўтамабіля
  • Інструкцыя па эксплуатацыі
  • Тэхнічнае абслугоўванне
  • Сілавы агрэгат
  • Бензінавы рухавік
  • Дызельны рухавік
  • Сістэма змазкі
  • Сістэма ахладжэння
  • Сістэма харчавання
  • Сістэма ўпырску
  • Сістэма выпуску
  • Запальванне і кіраванне
  • Трансмісія
  • Скрынка пераключэння перадач
  • Счапленне і прывадныя валы
  • Шасі
  • Тармазная сістэма
  • Падвеска аўтамабіля
  • Рулявое кіраванне
  • Кузаў
  • Ацяпленне і вентыляцыя
  • Экстэр'ер (вонкавыя элементы)
  • Інтэр'ер (унутраныя элементы)
  • Электраабсталяванне
  • Сілавыя прылады
  • Асвятленне і прыборы
  • Электрычныя схемы
 
A4(B6, 2000-2006, бензін) 
  • Агульная інфармацыя
  • Уводзіны ў кіраўніцтва
  • Сыход за аўтамабілем
  • Сілавы агрэгат
  • Рамонт рухавіка
  • Сістэма змазкі
  • Сістэма ахладжэння
  • Сістэма ўпырску і кіравання
  • Сістэма запальвання
  • Сістэма харчавання і выхлапу
  • Трансмісія
  • Счапленне і прывадныя валы
  • Скрынка перадач
  • Шасі
  • Падвеска і колы
  • Рулявое кіраванне
  • Тармазная сістэма
  • Кузаў
  • Інтэр'ер
  • Экстэр'ер
  • Электраабсталяванне
  • Абсталяванне і прыборы
  • Асвятленне і сігналізацыя
  • Сілавыя прылады
  • Электрычныя схемы
 
A4(B5, 1994-2001) 
  • Агульная інфармацыя
  • Уводзіны ў кіраўніцтва
  • Сыход за аўтамабілем
  • Тэхабслугоўваньне (бензін)
  • Тэхабслугоўванне (дызель)
  • Сілавы агрэгат
  • Бензінавыя рухавікі
  • Дызельныя рухавікі
  • Капрамонт рухавікоў
  • Сістэма ахладжэння
  • Упырск паліва (бензін)
  • Паліўная сістэма (дызель)
  • Выхлапная сістэма
  • Сістэма запальвання
  • Трансмісія
  • Счапленне
  • Механічная скрынка
  • Аўтаматычная скрынка
  • Прывадныя валы
  • Шасі
  • Тармазная сістэма
  • Падвеска аўтамабіля
  • Рулявое кіраванне
  • Кузаў
  • Экстэр'ер
  • Інтэр'ер
  • Дзверы, замкі і вокны
  • Ацяпленне і вентыляцыя
  • Электраабсталяванне
  • Сілавыя прылады
  • Абсталяванне і прыборы
  • Электрычныя схемы
 
A4(B5, 1994-2001, бензін) 
  • Агульная інфармацыя
  • Апісанне аўтамабіля
  • Тэхнічнае абслугоўванне
  • Сілавы агрэгат
  • Рамонт рухавіка
  • Турбанаддуў
  • Сістэма выхлапу
  • Сістэма ахладжэння
  • Сістэма запальвання
  • Паліўная сістэма
  • Сістэма ўпырску Motronic
  • Сістэма ўпырску MPI і MPFI
  • Трансмісія
  • Счапленне
  • Скрынка перадач і валы
  • Шасі
  • Рулявое кіраванне
  • Падвеска аўтамабіля
  • Тармазная сістэма
  • Колы і шыны
  • Кузаў
  • Ацяпленне і вентыляцыя
  • Дэталі кузава
  • Электраабсталяванне
  • Засцерагальнікі і рэле
  • Сілавыя прылады
  • Асвятленне і лямпы
  • Інструменты і прыборы
  • Электрычныя схемы
 
AudiManual.ru © 2017-2025 · Мабільная версія · Зваротная сувязь · Мапа сайту: EN BG BY UA RS HR RO PL SK HU · Пошук па сайце · Навіны і артыкулы
80 Б2 · 80 Б3 бензін · 80 Б3 · 80 Б4 · 100 С3 дызель · 100 С3 бензін · 100 С3 · 100 С4 бензін · 100 С4 · A3 Typ 8L · A4 Б5 бензін · A4 Б5 · A4 Б6 бензін · A4 Б6 · A4 Б7 · A6 С4 · A6 С5 · A6 С5 Allroad · A8 Д2 · Q5 Typ 8R · Audi А2 · 0.045