Оглавление: Система охлаждения двигателя ВАЗ-2108 ↓ Системы охлаждения двигателей… ↓ Система охлаждения двигателя МеМЗ-245 ↓ Системы охлаждения двигателей… ↓
При сгорании рабочей смеси в цилиндрах двигателя температура газов достигает 2500°C, а в среднем при работе двигателя составляет 800...900°C. Это вызывает сильный нагрев деталей и может привести к заклиниванию поршней в цилиндре, обгоранию головок клапанов, выгоранию смазки, выплавлению вкладышей подшипников и другим неисправностям. Для предупреждения этого в двигателе необходимо поддерживать определенный тепловой режим, что обеспечивается системой охлаждения, которая служит для отвода излишнего тепла от нагретых деталей. В системе охлаждения температура охлаждающей жидкости на всех режимах работы двигателя должна поддерживаться в пределах 80...100°C. На всех отечественных автомобилях применяются жидкостные системы охлаждения закрытого типа, которые сообщаются с атмосферой через специальные клапаны при определенном избыточном давлении или разрежении. Циркуляция охлаждающей жидкости осуществляется принудительно при помощи жидкостного насоса. Для компенсации изменения объема охлаждающей жидкости при ее нагреве и охлаждении в системе имеется расширительный бачок.
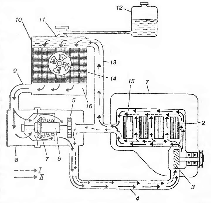
Общее устройство и принцип действия жидкостной системы охлаждения показаны на рис. 16.
Рис. 16. Принципиальная схема жидкостной системы охлаждения: 1 - двигатель; 2 - рубашка охлаждения блока и головки цилиндров; 3 - крыльчатка насоса; 4, 9, 13 - трубопроводы; 5 - перепускной клапан; 6 - термосиловой элемент термостата; 7 - основной клапан; 8 - термостат; 10 - радиатор; 11 - горловина радиатора; 12 - расширительный бачок; 14 - вентилятор; 15 - цилиндр двигателя; 16 - нижний бачок; I - циркуляция жидкости по малому кругу; II - циркуляция жидкости по большому кругу
Основными элементами этой системы являются: рубашка охлаждения, центробежный насос охлаждающей жидкости, трубопроводы, радиатор, вентилятор, расширительный бачок, термостат и датчик с указателем температуры охлаждающей жидкости.
Термостат служит для ускорения прогрева двигателя после пуска и автоматического поддержания оптимального режима двигателя при движении.
При пуске холодного двигателя термосиловой элемент 6 термостата 8 находится в крайнем левом положении, при котором основной клапан 7 закрыт, а перепускной 5 открыт. При работе двигателя крыльчатка 3 центробежного насоса, приводимая во вращение через ременную передачу от шкива коленчатого вала, захватывает охлаждающую жидкость из патрубка 4 и нагнетает ее в рубашку 2 блока и головки блока цилиндров 15 двигателя 1. При этом жидкость отнимает излишнее тепло от нагретых частей, нагревается сама и через открытый перепускной клапан 5 термостата 8 будет снова поступать к насосу, т.е. циркуляция будет происходить по малому кругу, минуя радиатор (см. пунктирные стрелки I), что ускоряет нагрев двигателя. По мере прогрева двигателя термосиловой элемент 6 термостата нагревается и перемещает клапаны вправо, постепенно закрывая перепускной 5 и открывая основной 7 клапаны. При этом циркуляция жидкости будет происходить как прежде по малому кругу и одновременно частично по большому кругу через радиатор 10 по патрубкам 13 и 9 (см. положение клапанов 5 и 7). Когда двигатель полностью прогреется и температура жидкости достигнет 85...95°C, перепускной клапан 5 полностью закроется, а основной 7 откроется и циркуляция жидкости будет происходить только по большому кругу (см. сплошные стрелки 11) в следующей последовательности: от крыльчатки 3 насоса в рубашку 2 блока и головки блока цилиндров, по патрубку 13 в верхний бачок радиатора 10, через сердцевину (по трубкам) в нижний бачок 16. Охлажденная при помощи вентилятора 14 жидкость циркулирует по патрубку 9, через открытый клапан 7 термостата, по патрубку 4 снова к насосу, поддерживая необходимый тепловой режим двигателя.
Расширительный бачок 12 служит для компенсации изменений объема жидкости, возникающих при ее разогреве и охлаждении во время работы двигателя и после его остановки.
Крыльчатка вентилятора 14 может иметь привод от специального электродвигателя, который включается автоматически по мере необходимости от датчика на радиаторе (на автомобилях ВАЗ-2108, АЗЛК и ЗАЗ), либо может устанавливаться непосредственно на валу водяного насоса и иметь совместный с ним привод от шкива коленчатого вала при помощи клиноременной передачи (автомобили ВАЗ-2105 и ИЖ).
Следует отметить, что электропривод вентилятора, несмотря на некоторое усложнение конструкции системы охлаждения двигателя (наличие дополнительного электродвигателя и датчика), повышает эффективность ее работы, так как позволяет отключить вентилятор при прогреве двигателя, а также при движении автомобиля, обеспечивая более быстрый прогрев двигателя и более стабильную его температуру, что особенно важно в холодное время года. При установке вентилятора на валу жидкостного насоса и совместном их приводе клиновидным ремнем вентилятор работает постоянно.
Система охлаждения двигателя ВАЗ-2108
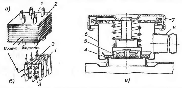
Система охлаждения двигателя ВАЗ-2108 (рис. 17) имеет разборный радиатор 16 (рис. 17, а), который состоит из двух вертикальных пластмассовых бачков 15 и 20, сердцевины 22, изготовленной из ребристых алюминиевых охлаждающих пластин 18, и горизонтальных трубок 17. На правом бачке установлены датчик 19 для включения и выключения электродвигателя 13 вентилятора 23 и сливная пробка 21 радиатора. В целях улучшения циркуляции жидкости и теплоотдачи в левом бачке имеется перегородка. Радиатор заполняется охлаждающей жидкостью из расширительного бачка 8 по шлангу 7 через термостат 6.
Рис. 17. Система охлаждения двигателей ВАЗ-2108: а - устройство и работа системы охлаждения; б - устройство пробки расширительного бачка; 1 - подводящая труба насоса; 2 - шланг отвода охлаждающей жидкости к карбюратору; 3 - выпускной патрубок головки цилиндров; 4 - патрубок подвода жидкости к отопителю; 5 - шланг отвода жидкости от блока подогрева карбюратора; 6 - термостат; 7 и 11 - шланги соответственно от бачка к термостату и от бачка к радиатору; 8 - расширительный бачок; 9 - пробка расширительного бачка; 10 и 12 - соответственно отводящий и подводящий шланги радиатора; 13 - электродвигатель; 14 - кожух вентилятора; 15 и 20 - бачки радиатора; 16 - радиатор; 17 - трубки; 18 - охлаждающие пластины; 19 - датчик включения и выключения вентилятора; 21 - сливная пробка; 22 - сердцевина радиатора; 23 - вентилятор; 24 - жидкостный насос; 25 - зубчатый ремень привода распределительного вала и жидкостного насоса; 26 - патрубок отвода жидкости из отопителя салона кузова; 27 - пружина выпускного клапана; 28 - впускной (воздушный) клапан; 29 - пружина впускного клапана; 30 - выпускной (паровой) клапан; 31 - латунный блок клапанов; 32 - заливная горловина расширительного бачка
Вентилятор 23 четырехлопастный, получает привод от электродвигателя 13. Включение и выключение электродвигателя во время работы двигателя происходит автоматически при помощи датчика 19, установленного в правом бачке радиатора, в зависимости от температуры охлаждающей жидкости, которая поддерживается в пределах 85... 95°C за счет включения и выключения электровентилятора. Кожух 14 вентилятора обеспечивает создание направленного потока воздуха через сердцевину радиатора с целью более быстрого охлаждения в нем жидкости.
Расширительный бачок 8 изготавливается из полупрозрачной пластмассы. Верхний патрубок бачка шлангом 11 постоянно соединен с патрубком радиатора, что предупреждает образование паровых пробок. Нижний патрубок бачка шлангом 7 соединяется с дополнительным патрубком термостата 6. Заливная горловина бачка герметически закрыта пробкой (рис. 17, б). В пробке расширительного бачка помещаются два клапана: выпускной (паровой) клапан 30, который открывается при избыточном давлении в системе охлаждения до 20 кПа и выпускает часть паров в атмосферу, и впускной (воздушный) клапан 28, который открывается при понижении давления в системе до 95...86 кПа (разрежение) вследствие остывания или слива жидкости и пропускает в систему охлаждения атмосферный воздух.
Жидкостный насос (рис. 18) центробежного типа состоит из корпуса 4, в котором установлен вал 8 на двухрядном шариковом подшипнике 6. Подшипник стопорится винтом 5, заполняется смазкой Литол-24 на заводе и в дальнейшем не смазывается. На передний конец вала напрессован зубчатый шкив 7, а на задний — крыльчатка 2. Уплотнение заднего конца вала на выходе его из корпуса достигается манжетой 1 с упорным уплотнительным кольцом 3. Привод насоса осуществляется зубчатым ремнем 25 (см. рис. 17) привода распределительного вала.
Рис. 18. Жидкостный насос двигателя ВАЗ-2108: 1 - уплотнительная манжета; 2 - крыльчатка; 3 - упорное уплотнительное кольцо манжеты; 4 - корпус насоса; 5 - стопорный винт подшипника; 6 - шариковый подшипник; 7 - приводной зубчатый шкив; 8 - вал насоса; 9 - отверстие
Для предупреждения попадания охлаждающей жидкости в подшипник при повреждении манжеты (сальника) в корпусе насоса имеется отверстие 9, через которое жидкость вытекает наружу.
Термостат двухклапанный, неразборной конструкции, имеет четыре патрубка: два входных 10 и 4 (рис. 19), выходной 5 и дополнительный 14 для присоединения шланга от расширительного бачка. Термочувствительный элемент состоит из стакана 8 с резиновой вставкой 9, между стенками которых помешается твердый наполнитель 15 (церезин — кристаллический воск), обладающий высоким коэффициентом объемного расширения. Внутри резиновой вставки находится стержень 11, закрепленный в стойке основного клапана 1, который прижимается к седлу конической пружиной 13. На стойке основного клапана помещается перепускной клапан 2 с пружиной 12.
Рис. 19. Устройство и работа термостата: а - основной клапан полностью закрыт, перепускной открыт; б - основной клапан полностью открыт, перепускной закрыт; 1 и 2 - соответственно основной и перепускной клапаны; 3 - корпус; 4 и 10 - входные патрубки соответственно из рубашки охлаждения и из радиатора; 5 - выходной патрубок (к центробежному насосу); 6 - крышка; 7 - термочувствительный элемент; 8 - стакан; 9 - резиновая вставка; 11 - стержень; 12 и 13 - пружины соответственно перепускного и основного клапанов; 14 - патрубок для присоединения шланга от расширительного бачка; 15 - твердый наполнитель; I и II - положения термочувствительного элемента термостата при температуре охлаждающей жидкости соответственно менее и более 80°C
При температуре охлаждающей жидкости ниже 80°C основной клапан полностью закрыт (рис. 19, а), поэтому жидкость из радиатора в насос не поступает, а циркулирует по малому кругу от центробежного насоса в рубашку охлаждения и через перепускной клапан обратно к насосу, обеспечивая более быстрый прогрев двигателя. По мере нагрева охлаждающей жидкости церезин в термостате плавится и, расширяясь, преодолевает сопротивление пружины 13 (рис. 19, б), перемещая оба клапана вверх. При температуре 94°C циркуляция по малому кругу прекращается, и вся жидкость проходит через основной клапан 1 в радиатор.
От системы охлаждения жидкость подводится к впускному трубопроводу системы питания и далее через шланг 2 к блоку подогрева карбюратора для подогрева горючей смеси, а через патрубок 4 — к отопителю.
Заправка системы охлаждающей жидкостью и ее доливка производится через заливную горловину расширительного бачка. Для слива охлаждающей жидкости из системы на двигателе имеются две сливные резьбовые пробки. Одна пробка 21 (см. рис. 17, а) расположена в нижней части правого бачка радиатора, другая — в нижней части рубашки охлаждения блока цилиндров.
Системы охлаждения двигателей ВАЗ-2105 и -2106
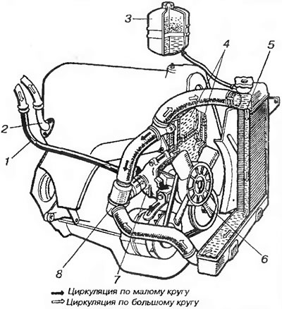
Системы охлаждения двигателей ВАЗ-2105 и -2106 (рис. 20) имеют одинаковое устройство. В них могут применяться как алюминиевые радиаторы с пластмассовыми бачками и трубчато-пластинчатой сердцевиной (рис. 21, а), схожие по устройству с радиатором ВАЗ-2108, так и неразборные латунные радиаторы с трубчато-ленточной сердцевиной (рис. 21, б), имеющие наливную горловину. Наливная горловина радиатора закрывается пробкой (рис. 21, в), в которой имеются выпускной (паровой) и впускной (воздушный) клапаны.
Рис. 20. Система охлаждения двигателя ВАЗ-2105: 1 - патрубок отвода жидкости из отопителя; 2 - патрубок подвода жидкости из головки цилиндра в отопитель; 3 - расширительный бачок; 4 - рубашка охлаждения; 5 - радиатор; 6 - вентилятор; 7 - центробежный насос системы охлаждения; 8 - термостат
Рис. 21. Сердцевина и пробка радиатора: а - трубчато-пластинчатая сердцевина; б - трубчато-ленточная сердцевина; в - пробка радиатора; 1 - трубки; 2 - пластины; 3 - латунные ленты; 4 - выпускной клапан; 5 - впускной клапан; 6 - горловина радиатора; 7 - корпус пробки; 8 - патрубок к расширительному бачку
Выпускной клапан 4 открывается при повышении давления в системе охлаждения до 1,5 кгс/см². Увеличение давления в системе охлаждения позволяет повысить температуру кипения охлаждающей жидкости. При открытом клапане жидкость или пар отводятся в расширительный бачок. Это снижает давление в системе и предохраняет от разрушения радиатор и патрубки.
Впускной клапан 5 открывается при понижении давления в системе до 0,99 кгс/см² вследствие уменьшения объема охлаждающей жидкости или конденсации паров жидкости при остывании двигателя. При этом в радиатор поступает жидкость из расширительного бачка, что предотвращает сдавливание трубок сердцевины радиатора под действием атмосферного давления воздуха.
В отличие от ВАЗ-2108, термостат двигателей ВАЗ-2105 и -2106 не имеет дополнительного патрубка 14 (см. рис. 19) для присоединения шланга расширительного бачка, а жидкостный насос приводится клиновидным ремнем, надеваемым на шкивы коленчатого вала, генератора и жидкостного насоса. На ВАЗ-2105 вентилятор 6 (см. рис. 20) может устанавливаться на ступицу 12 (рис. 22) вала жидкостного насоса и иметь с ним единый привод от шкива 11 либо иметь электропривод, как у ВАЗ-2108.
Жидкостный насос центробежного типа действует аналогично насосу ВАЗ-2108 и отличается от него только конструкцией привода вала 4, на ступице 12 которого болтами 1 крепится гладкий шкив 11 для привода насоса клиновидным ремнем.
Сливные краники на двигателе ВАЗ-2105 расположены с левой стороны на нижней части блока цилиндров и на радиаторе.
Система охлаждения двигателя МеМЗ-245
Система охлаждения двигателя МеМЗ-245 устроена и действует аналогично системе охлаждения ВАЗ-2108, но в отличие от нее имеет трехпатрубковый термостат (как у ВАЗ-2105 и -2106). Сливные пробки установлены на радиаторе и в нижней части блока цилиндров.
Системы охлаждения двигателей УЗАМ-331 и 412
Системы охлаждения двигателей УЗАМ-331 и 412 устроены и действуют аналогично системе охлаждения ВАЗ-2105.
Двигатель УЗАМ-331, устанавливаемый на автомобиль АЗЛК, обычно комплектуется радиатором без наливной горловины с пластмассовыми бачками, размещенными с левой и правой стороны с трубчато-пластинчатой сердцевиной, но может комплектоваться и латунным радиатором с трубчато-ленточной сердцевиной. Он имеет вентилятор с электроприводом.
Двигатель 412, устанавливаемый на автомобилях ИЖ, комплектуется латунным радиатором с трубчато-ленточной сердцевиной, имеющим наливную горловину, закрываемую пробкой (см. рис. 21, в). Вентилятор двигателя 412 установлен навалу жидкостного насоса и имеет совместный с ним привод при помощи клиновидного ремня. Двухклапанный термостат устанавливается в корпусе отводящего патрубка головки цилиндров.
Рос. 22. Жидкостный насос двигателей ВАЗ-2105 И -2106: 1 - болт; 2 - стопорный винт; 3 - крышки; 4 - вал; 5 - манжета; 6 - крыльчатка; 7 - приемный патрубок; 8 - приемное отверстие от отопителя; 9 - корпус; 10 - подшипник; 1 - шкив; 12 - ступица
Жидкостный насос двигателей УЗАМ-331 и 412 (рис. 23) устроен и действует аналогично насосу ВАЗ-2105, отличаясь от него только конструктивным исполнением самоподжимного уплотнения, а также установкой не одного двухрядного, а двух однорядных шарикоподшипников 11. В корпусе 1 насоса имеется отверстие А для контроля подтекания жидкости через сальниковое уплотнение и отвода ее от подшипников наружу.
Сливной краник на двигателе 412 установлен с левой стороны на подводящем патрубке водяного насоса.
Рис. 23. Жидкостный насос двигателей УЗАМ-331 и 412: 1 - корпус; 2 - обойма пружины; 3 - пружина; 4 - крыльчатка; 5 - шайба; 6 - пружинная шайба; 7 - болт; 8 - обойма манжеты; 9 - манжета; 10 - уплотнительная графитная шайба; 11 - разрезное стопорное кольцо; 12 - втулка корпуса насоса; 13 - стопорная гайка; 14 - стопорный винт; 15 - шарикоподшипники; 16 - валик насоса; 17 - ступица шкива; А - отверстие
