Ремонт Chevrolet Ремонт Toyota Ремонт Honda Ремонт AvtoVAZ Ремонт Mercedes-Benz Ремонт BMW Ремонт Opel
Главная  |  Контакты  |  Карта сайта  |  Поиск:  
Русский English
Български
Беларускі
Український
Српски
Hrvatski
Română
Polski
Slovenský
Magyar
AudiManual.ru
 
 
 
 
 
 
 
 
 
 
  • AUDI 80
  • AUDI 100
  • AUDI A3
  • AUDI A4
  • AUDI A6
  • AUDI A8
  • AUDI Q
  • ПРОЧИЕ
  • СТАТЬИ
Typ 8L (1996-2003)

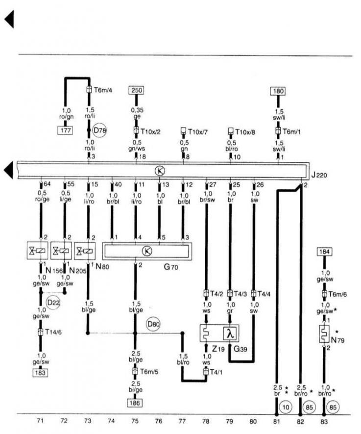
Прибор управления для Motronic, датчика кислорода, измерителя массы воздуха... (Audi A3 Typ 8L)

  • Главная
  • Ауди A3
  • Typ 8L (1996-2003)
  • Электрооборудование
  • Электрические схемы
  • Прибор управления для Motronic, датчика кислорода,...
            0
Прибор управления для Motronic, датчика кислорода, измерителя массы воздуха, регулятор распределительного вала, электромагнитного клапана продувки адсорбера, переключателя впускного трубопровода.
Прибор управления для Motronic, датчика кислорода, измерителя массы воздуха, регулятор…
Статью проверил автоэксперт Никита Рудаков
Эта статья доступна на английском, болгарском, белорусском, украинском, сербском, хорватском, румынском, польском, словацком, венгерском
Речные круизы из москвы расписание речных круизов из москвы. . Натяжные потолки ванна.

Поделитесь информацией:
Предыдущие статьи
Ауди А3 Typ 8L: Электрические схемы
Следующие статьи

Прибор управления для Motronic, блока управления дроссельной…
Прибор управления для Motronic, датчиков детонации, датчика…
Прибор управления для Motronic, реле топливного насоса,…
Аккумуляторная батарея, стартер, генератор, главный блок…
Выключатель прикуривателя, разгрузочное реле для контакта X
Переключатель света, подрулевой переключатель левый
Регулятор освещения выключателей и приборов управления,…
Правый подрулевой переключатель, стеклоочиститель и омыватель,…


Похожие статьи других моделей автомобилей Ауди:
Электросхема топливного насоса, системы впрыска топлива, блока… Audi 80 Б4 (1991-1996)
Прибор управления ДВС Audi 100 С4 (1990-1994)
Компоненты системы управления впрыском топлива Bosch Motronic Audi A4 Б5 (1994-2001)
Электросхема блока управления Мотроник, распределительного… Audi A6 С5 (1997-2004)
Органы управления, приборы и оборудование Audi A8 Д2 (1994-2002)
Удаление воздуха из рулевого управления после переустановки Audi Q5 Typ 8R (2008-2017)
Снятие и установка датчика давления масла Audi А2 (1999-2005)
Ссылка на эту страницу в разных форматах
HTMLTextBB Code


Комментарии посетителей


Нет еще комментариев


Сколько будет 41 + 27 =
       




A3(8L, 1996-2003) 
  • Общая информация
  • Инструкция по эксплуатации
  • Техническое обслуживание
  • Силовой агрегат
  • Ремонт двигателя
  • Система смазки
  • Система охлаждения
  • Система питания
  • Система впрыска топлива
  • Система выпуска
  • Система зажигания
  • Трансмиссия
  • Механическая коробка передач
  • Автоматическая коробка передач
  • Сцепление и приводные валы
  • Шасси
  • Тормозная система
  • Передняя подвеска
  • Задняя подвеска
  • Рулевое управление
  • Кузов
  • Вентиляция и отопление
  • Экстерьер (наружные элементы)
  • Интерьер (внутренние элементы)
  • Двери, крышки и окна
  • Электрооборудование
  • Силовые устройства
  • Освещение и приборы
  • Электрические схемы
 
Анекдот про автомобили:
хочу ещё один
 
AudiManual.ru © 2017-2025 · Мобильная версия · Обратная связь · Карта сайта: EN BG BY UA RS HR RO PL SK HU · Поиск по сайту · Новости и статьи
80 Б2 · 80 Б3 бензин · 80 Б3 · 80 Б4 · 100 С3 дизель · 100 С3 бензин · 100 С3 · 100 С4 бензин · 100 С4 · A3 Typ 8L · A4 Б5 бензин · A4 Б5 · A4 Б6 бензин · A4 Б6 · A4 Б7 · A4 Б8 · A6 С4 · A6 С5 · A6 С5 Allroad · A8 Д2 · Q5 Typ 8R · Audi А2 · Автомобильные новости · Устройство и ремонт авто · Продлеваем жизнь авто · Регулировка карбюраторов · Зарядные устройства · Автомобильная электроника 0.028