Ремонт Chevrolet Ремонт Toyota Ремонт Honda Ремонт AvtoVAZ Ремонт Mercedes-Benz Ремонт BMW Ремонт Opel
Главная  |  Контакты  |  Карта сайта  |  Поиск:  
Русский English
Български
Беларускі
Український
Српски
Hrvatski
Română
Polski
Slovenský
Magyar
AudiManual.ru
 
 
 
 
 
 
 
 
 
 
  • AUDI 80
  • AUDI 100
  • AUDI A3
  • AUDI A4
  • AUDI A6
  • AUDI A8
  • AUDI Q
  • ПРОЧИЕ
  • СТАТЬИ
Typ 8L (1996-2003)

Переключатель света, подрулевой переключатель левый (Audi A3 Typ 8L)

  • Главная
  • Ауди A3
  • Typ 8L (1996-2003)
  • Электрооборудование
  • Электрические схемы
  • Переключатель света, подрулевой переключатель левы...
            0
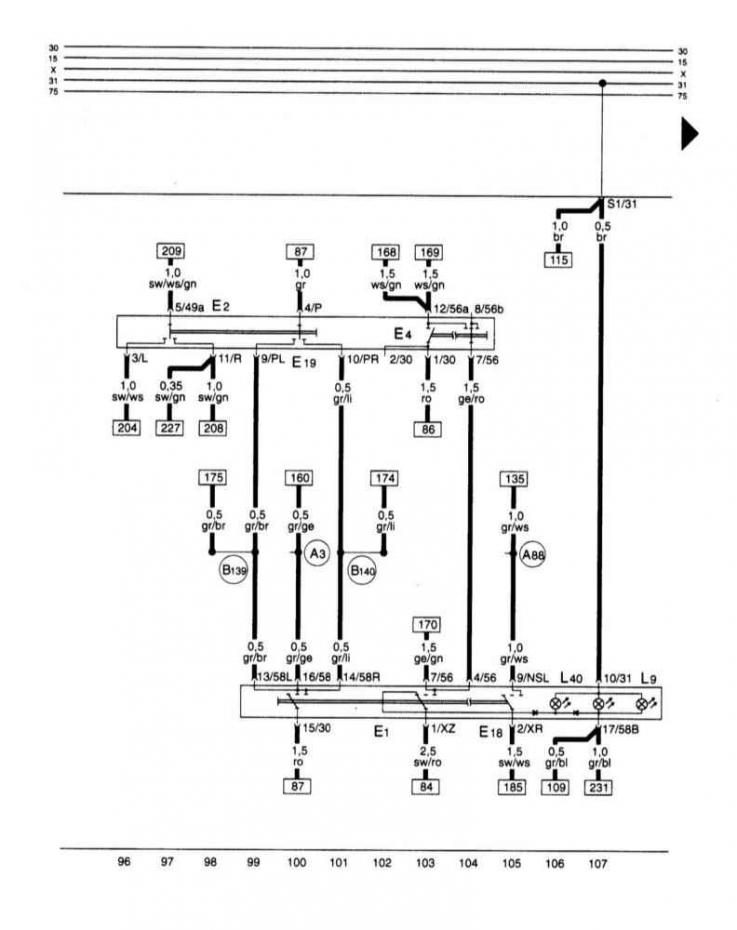
Переключатель света, подрулевой переключатель левый.
Переключатель света, подрулевой переключатель левый.

[Данная статья скопирована с веб-сайта: AudiManual]
Статью проверил автоэксперт Никита Рудаков
Эта статья доступна на английском, болгарском, белорусском, украинском, сербском, хорватском, румынском, польском, словацком, венгерском

Поделитесь информацией:
Предыдущие статьи
Ауди А3 Typ 8L: Электрические схемы
Следующие статьи

Выключатель прикуривателя, разгрузочное реле для контакта X
Прибор управления для Motronic, датчика кислорода, измерителя…
Прибор управления для Motronic, блока управления дроссельной…
Прибор управления для Motronic, датчиков детонации, датчика…
Регулятор освещения выключателей и приборов управления,…
Правый подрулевой переключатель, стеклоочиститель и омыватель,…
Габаритные огни, стоп-сигналы, фонари заднего хода, туманные…
Звуковой сигнал, обогреваемое заднее стекло, прикуриватель,…


Похожие статьи других моделей автомобилей Ауди:
Переключатель передач Audi 80 Б3 (1986-1991)
Комбинированный переключатель дальнего-ближнего света фар Audi 100 С3 (1982-1990, дизель)
Многофункциональный переключатель — снятие и установка Audi A4 Б5 (1994-2001)
Переключатель освещения и корректор света фар Audi A6 С5 (1997-2004)
Переключатель регулировки положения зеркала Audi A8 Д2 (1994-2002)
Переключатель указателей поворота, переключатель управления… Audi Q5 Typ 8R (2008-2017)
Переключатель на рулевой колонке Audi А2 (1999-2005)
Ссылка на эту страницу в разных форматах
HTMLTextBB Code


Комментарии посетителей


Нет еще комментариев


Сколько будет 44 + 32 =
       




A3(8L, 1996-2003) 
  • Общая информация
  • Инструкция по эксплуатации
  • Техническое обслуживание
  • Силовой агрегат
  • Ремонт двигателя
  • Система смазки
  • Система охлаждения
  • Система питания
  • Система впрыска топлива
  • Система выпуска
  • Система зажигания
  • Трансмиссия
  • Механическая коробка передач
  • Автоматическая коробка передач
  • Сцепление и приводные валы
  • Шасси
  • Тормозная система
  • Передняя подвеска
  • Задняя подвеска
  • Рулевое управление
  • Кузов
  • Вентиляция и отопление
  • Экстерьер (наружные элементы)
  • Интерьер (внутренние элементы)
  • Двери, крышки и окна
  • Электрооборудование
  • Силовые устройства
  • Освещение и приборы
  • Электрические схемы
 
Анекдот про автомобили:
хочу ещё один
 
AudiManual.ru © 2017-2025 · Мобильная версия · Обратная связь · Карта сайта: EN BG BY UA RS HR RO PL SK HU · Поиск по сайту · Новости и статьи
80 Б2 · 80 Б3 бензин · 80 Б3 · 80 Б4 · 100 С3 дизель · 100 С3 бензин · 100 С3 · 100 С4 бензин · 100 С4 · A3 Typ 8L · A4 Б5 бензин · A4 Б5 · A4 Б6 бензин · A4 Б6 · A4 Б7 · A4 Б8 · A6 С4 · A6 С5 · A6 С5 Allroad · A8 Д2 · Q5 Typ 8R · Audi А2 · Автомобильные новости · Устройство и ремонт авто · Продлеваем жизнь авто · Регулировка карбюраторов · Зарядные устройства · Автомобильная электроника 0.024