Ремонт Chevrolet Ремонт Toyota Ремонт Honda Ремонт AvtoVAZ Ремонт Mercedes-Benz Ремонт BMW Ремонт Opel
Главная  |  Контакты  |  Карта сайта  |  Поиск:  
Русский English
Български
Беларускі
Український
Српски
Hrvatski
Română
Polski
Slovenský
Magyar
AudiManual.ru
 
 
 
 
 
 
 
 
 
 
  • AUDI 80
  • AUDI 100
  • AUDI A3
  • AUDI A4
  • AUDI A6
  • AUDI A8
  • AUDI Q
  • ПРОЧИЕ
  • СТАТЬИ
Typ 8L (1996-2003)

Система антиблокировки тормозов ABS и разъем блока управления (Audi A3 Typ 8L)

  • Главная
  • Ауди A3
  • Typ 8L (1996-2003)
  • Электрооборудование
  • Электрические схемы
  • Система антиблокировки тормозов ABS и разъем блока...
            0
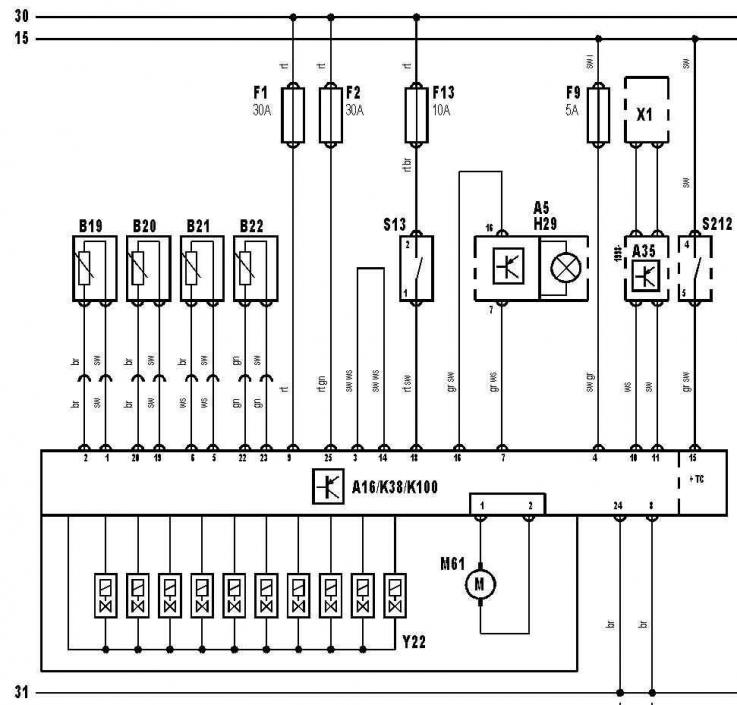
Система антиблокировки тормозов ABS и разъем блока управления.
Система антиблокировки тормозов ABS и разъем блока управления.

[Первоначальный текст материала можно найти на сайте audimanual.ru]
Статью проверил автоэксперт Никита Рудаков
Эта статья доступна на английском, болгарском, белорусском, украинском, сербском, хорватском, румынском, польском, словацком, венгерском

Поделитесь информацией:
Предыдущие статьи
Ауди А3 Typ 8L: Электрические схемы
Следующие статьи

Электрические стеклоподъемники, 3-дверные модели (с защитой…
Электрические стеклоподъемники, 3-дверные модели (с защитой…
Прицеп
Блок панели приборов, комби-процессор в блоке панели приборов,…
Система управления двигателем 1.6 л
Система управления двигателем 1.8 л без турбокомпрессора
Система управления двигателем 1.8 л с турбокомпрессором


Похожие статьи других моделей автомобилей Ауди:
Электросхема топливного насоса, системы впрыска топлива, блока… Audi 80 Б4 (1991-1996)
Система управления «KE-Motronic» Audi 100 С4 (1990-1994)
Система антиблокировки тормозов (ABS) Audi A4 Б6 (2000-2006)
Система управления работой дизельного двигателя Audi A6 С4 (1994-1997)
Антиблокировочная система тормозов (ABS) Audi A8 Д2 (1994-2002)
Снятие блока управления и индикации климат, установки, блока… Audi Q5 Typ 8R (2008-2017)
Снятие и установка блока управления двигателя Audi А2 (1999-2005)
Ссылка на эту страницу в разных форматах
HTMLTextBB Code


Комментарии посетителей


Нет еще комментариев


Сколько будет 23 + 23 =
       




A3(8L, 1996-2003) 
  • Общая информация
  • Инструкция по эксплуатации
  • Техническое обслуживание
  • Силовой агрегат
  • Ремонт двигателя
  • Система смазки
  • Система охлаждения
  • Система питания
  • Система впрыска топлива
  • Система выпуска
  • Система зажигания
  • Трансмиссия
  • Механическая коробка передач
  • Автоматическая коробка передач
  • Сцепление и приводные валы
  • Шасси
  • Тормозная система
  • Передняя подвеска
  • Задняя подвеска
  • Рулевое управление
  • Кузов
  • Вентиляция и отопление
  • Экстерьер (наружные элементы)
  • Интерьер (внутренние элементы)
  • Двери, крышки и окна
  • Электрооборудование
  • Силовые устройства
  • Освещение и приборы
  • Электрические схемы
 
Анекдот про автомобили:
хочу ещё один
 
AudiManual.ru © 2017-2025 · Мобильная версия · Обратная связь · Карта сайта: EN BG BY UA RS HR RO PL SK HU · Поиск по сайту · Новости и статьи
80 Б2 · 80 Б3 бензин · 80 Б3 · 80 Б4 · 100 С3 дизель · 100 С3 бензин · 100 С3 · 100 С4 бензин · 100 С4 · A3 Typ 8L · A4 Б5 бензин · A4 Б5 · A4 Б6 бензин · A4 Б6 · A4 Б7 · A4 Б8 · A6 С4 · A6 С5 · A6 С5 Allroad · A8 Д2 · Q5 Typ 8R · Audi А2 · Автомобильные новости · Устройство и ремонт авто · Продлеваем жизнь авто · Регулировка карбюраторов · Зарядные устройства · Автомобильная электроника 0.16