Ремонт Chevrolet Ремонт Toyota Ремонт Honda Ремонт AvtoVAZ Ремонт Mercedes-Benz Ремонт BMW Ремонт Opel
Главная  |  Контакты  |  Карта сайта  |  Поиск:  
Русский English
Български
Беларускі
Український
Српски
Hrvatski
Română
Polski
Slovenský
Magyar
AudiManual.ru
 
 
 
 
 
 
 
 
 
 
  • AUDI 80
  • AUDI 100
  • AUDI A3
  • AUDI A4
  • AUDI A6
  • AUDI A8
  • AUDI Q
  • ПРОЧИЕ
  • СТАТЬИ
Typ 8L (1996-2003)

Сигналы поворота и аварийная сигнализация (Audi A3 Typ 8L)

  • Главная
  • Ауди A3
  • Typ 8L (1996-2003)
  • Электрооборудование
  • Электрические схемы
  • Сигналы поворота и аварийная сигнализация
            0
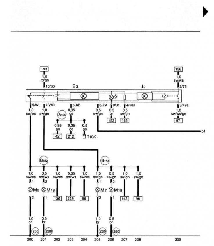
Сигналы поворота и аварийная сигнализация.
Сигналы поворота и аварийная сигнализация.

[Первоначальная версия находится на портале «audimanual»]
Статью проверил автоэксперт Никита Рудаков
Эта статья доступна на английском, болгарском, белорусском, украинском, сербском, хорватском, румынском, польском, словацком, венгерском

Поделитесь информацией:
Предыдущие статьи
Ауди А3 Typ 8L: Электрические схемы
Следующие статьи

Коробка предохранителей, штекер диагностики, радиоподготовка
Коробка предохранителей
Коробка предохранителей, обогреваемое сопло, освещение вещевого…
Коробка предохранителей, обогреваемое сопло омывателя, освещение…
Лампы освещения багажника, выключатель контактов двери
Блок панели приборов, комби-процессор в блоке панели приборов,…
Блок панели приборов, комби-процессор в блоке панели приборов,…
Блок панели приборов, комби-процессор в блоке панели приборов,…


Похожие статьи других моделей автомобилей Ауди:
Аварийная сигнализация, очистители и омыватели стекол Audi 80 Б3 (1986-1991, бензин)
Указатели поворота, аварийная сигнализация, задние фонари… Audi 100 С3 (1982-1990, бензин)
Схема 7. Противотуманные фары, указатели поворотов, аварийная… Audi A4 Б5 (1994-2001)
Лампа переднего указателя поворота Audi A6 С5 (1997-2004)
Передний указатель поворота Audi A8 Д2 (1994-2002)
Аварийная помощь Audi Q5 Typ 8R (2008-2017)
Снятие и установка боковых повторителей указателей поворота Audi А2 (1999-2005)
Ссылка на эту страницу в разных форматах
HTMLTextBB Code


Комментарии посетителей


Нет еще комментариев


Сколько будет 29 + 29 =
       




A3(8L, 1996-2003) 
  • Общая информация
  • Инструкция по эксплуатации
  • Техническое обслуживание
  • Силовой агрегат
  • Ремонт двигателя
  • Система смазки
  • Система охлаждения
  • Система питания
  • Система впрыска топлива
  • Система выпуска
  • Система зажигания
  • Трансмиссия
  • Механическая коробка передач
  • Автоматическая коробка передач
  • Сцепление и приводные валы
  • Шасси
  • Тормозная система
  • Передняя подвеска
  • Задняя подвеска
  • Рулевое управление
  • Кузов
  • Вентиляция и отопление
  • Экстерьер (наружные элементы)
  • Интерьер (внутренние элементы)
  • Двери, крышки и окна
  • Электрооборудование
  • Силовые устройства
  • Освещение и приборы
  • Электрические схемы
 
Анекдот про автомобили:
хочу ещё один
 
AudiManual.ru © 2017-2025 · Мобильная версия · Обратная связь · Карта сайта: EN BG BY UA RS HR RO PL SK HU · Поиск по сайту · Новости и статьи
80 Б2 · 80 Б3 бензин · 80 Б3 · 80 Б4 · 100 С3 дизель · 100 С3 бензин · 100 С3 · 100 С4 бензин · 100 С4 · A3 Typ 8L · A4 Б5 бензин · A4 Б5 · A4 Б6 бензин · A4 Б6 · A4 Б7 · A4 Б8 · A6 С4 · A6 С5 · A6 С5 Allroad · A8 Д2 · Q5 Typ 8R · Audi А2 · Автомобильные новости · Устройство и ремонт авто · Продлеваем жизнь авто · Регулировка карбюраторов · Зарядные устройства · Автомобильная электроника 0.022