Ремонт Chevrolet Ремонт Toyota Ремонт Honda Ремонт AvtoVAZ Ремонт Mercedes-Benz Ремонт BMW Ремонт Opel
Главная  |  Контакты  |  Карта сайта  |  Поиск:  
Русский English
Български
Беларускі
Український
Српски
Hrvatski
Română
Polski
Slovenský
Magyar
AudiManual.ru
 
 
 
 
 
 
 
 
 
 
  • AUDI 80
  • AUDI 100
  • AUDI A3
  • AUDI A4
  • AUDI A6
  • AUDI A8
  • AUDI Q
  • ПРОЧИЕ
  • СТАТЬИ
Typ 8L (1996-2003)

Коробка предохранителей, обогреваемое сопло, освещение вещевого ящика... (Audi A3 Typ 8L)

  • Главная
  • Ауди A3
  • Typ 8L (1996-2003)
  • Электрооборудование
  • Электрические схемы
  • Коробка предохранителей, обогреваемое сопло, освещ...
            0
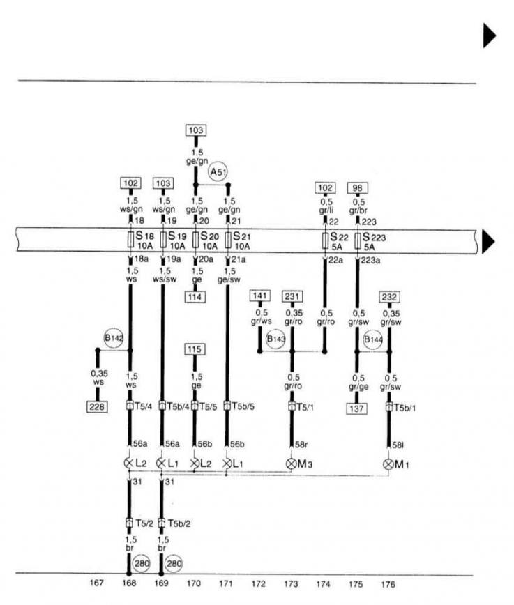
Коробка предохранителей, обогреваемое сопло, освещение вещевого ящика, фонарь освещения номерного знака.
Коробка предохранителей, обогреваемое сопло, освещение вещевого ящика, фонарь освещения номерного…
Статью проверил автоэксперт Никита Рудаков
Эта статья доступна на английском, болгарском, белорусском, украинском, сербском, хорватском, румынском, польском, словацком, венгерском

Поделитесь информацией:
Предыдущие статьи
Ауди А3 Typ 8L: Электрические схемы
Следующие статьи

Коробка предохранителей, обогреваемое сопло омывателя, освещение…
Звуковой сигнал, обогреваемое заднее стекло, прикуриватель,…
Габаритные огни, стоп-сигналы, фонари заднего хода, туманные…
Правый подрулевой переключатель, стеклоочиститель и омыватель,…
Коробка предохранителей
Коробка предохранителей, штекер диагностики, радиоподготовка
Сигналы поворота и аварийная сигнализация
Лампы освещения багажника, выключатель контактов двери


Похожие статьи других моделей автомобилей Ауди:
Электросхема подсветки вещевого ящика, освещения багажника,… Audi 80 Б4 (1991-1996)
Коробка передач — снятие и установка Audi 100 С3 (1982-1990, дизель)
Снятие и установка вещевого ящика Audi A4 Б6 (2000-2006)
Выключатель светильника вещевого ящика Audi A6 С5 (1997-2004)
Цилиндр замка вещевого ящика Audi A8 Д2 (1994-2002)
Выключатель освещения вещевого ящика, лампа подсветки… Audi Q5 Typ 8R (2008-2017)
Снятие и установка перчаточного ящика Audi А2 (1999-2005)
Ссылка на эту страницу в разных форматах
HTMLTextBB Code


Комментарии посетителей


Нет еще комментариев


Сколько будет 20 + 25 =
       




A3(8L, 1996-2003) 
  • Общая информация
  • Инструкция по эксплуатации
  • Техническое обслуживание
  • Силовой агрегат
  • Ремонт двигателя
  • Система смазки
  • Система охлаждения
  • Система питания
  • Система впрыска топлива
  • Система выпуска
  • Система зажигания
  • Трансмиссия
  • Механическая коробка передач
  • Автоматическая коробка передач
  • Сцепление и приводные валы
  • Шасси
  • Тормозная система
  • Передняя подвеска
  • Задняя подвеска
  • Рулевое управление
  • Кузов
  • Вентиляция и отопление
  • Экстерьер (наружные элементы)
  • Интерьер (внутренние элементы)
  • Двери, крышки и окна
  • Электрооборудование
  • Силовые устройства
  • Освещение и приборы
  • Электрические схемы
 
Анекдот про автомобили:
хочу ещё один
 
AudiManual.ru © 2017-2025 · Мобильная версия · Обратная связь · Карта сайта: EN BG BY UA RS HR RO PL SK HU · Поиск по сайту · Новости и статьи
80 Б2 · 80 Б3 бензин · 80 Б3 · 80 Б4 · 100 С3 дизель · 100 С3 бензин · 100 С3 · 100 С4 бензин · 100 С4 · A3 Typ 8L · A4 Б5 бензин · A4 Б5 · A4 Б6 бензин · A4 Б6 · A4 Б7 · A4 Б8 · A6 С4 · A6 С5 · A6 С5 Allroad · A8 Д2 · Q5 Typ 8R · Audi А2 · Автомобильные новости · Устройство и ремонт авто · Продлеваем жизнь авто · Регулировка карбюраторов · Зарядные устройства · Автомобильная электроника 0.026